EasyManua.ls Logo

Jensen A540 - AMP Connector

Jensen A540
150 pages
Print Icon
To Next Page IconTo Next Page
To Next Page IconTo Next Page
To Previous Page IconTo Previous Page
To Previous Page IconTo Previous Page
Loading...
HC960 Operating Instructions
10/14 Version 2.1 © ehb Errors
excepted
Bedienungsanleitung.doc Stand/Version: 25.02.2005/00 Layout: Gottschalk \\Ehelec-nts-000\EHELEC\Iso 9001\Formblätter\Vorlagen
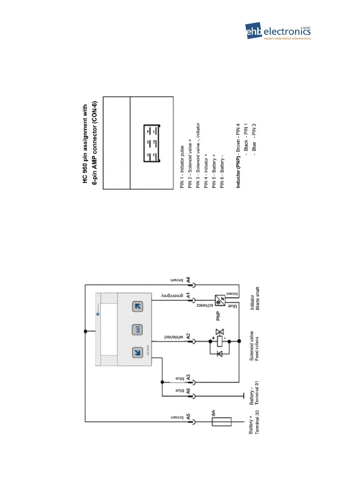
10. AMP connector

Related product manuals