EasyManua.ls Logo

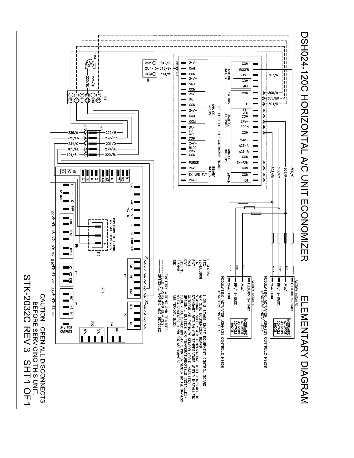
Johnson Controls DSH024C Series - FIGURE 25 - Typical Airside Economizer Wiring Diagram

Johnson Controls DSH024C Series
52 pages
Print Icon
To Next Page IconTo Next Page
To Next Page IconTo Next Page
To Previous Page IconTo Previous Page
To Previous Page IconTo Previous Page
Loading...
50
FORM 145.32-IOM5
ISSUE DATE: 04/08/2019
APPENDIX: WIRING DIAGRAMS
LD27717
FIGURE 25 - TYPICAL AIRSIDE ECONOMIZER WIRING DIAGRAM

Table of Contents

Related product manuals