EasyManua.ls Logo

JVC MX-J170V - Cassette Amplifier and PLL ICs

JVC MX-J170V
78 pages
Print Icon
To Next Page IconTo Next Page
To Next Page IconTo Next Page
To Previous Page IconTo Previous Page
To Previous Page IconTo Previous Page
Loading...
MX-J170V
1-30
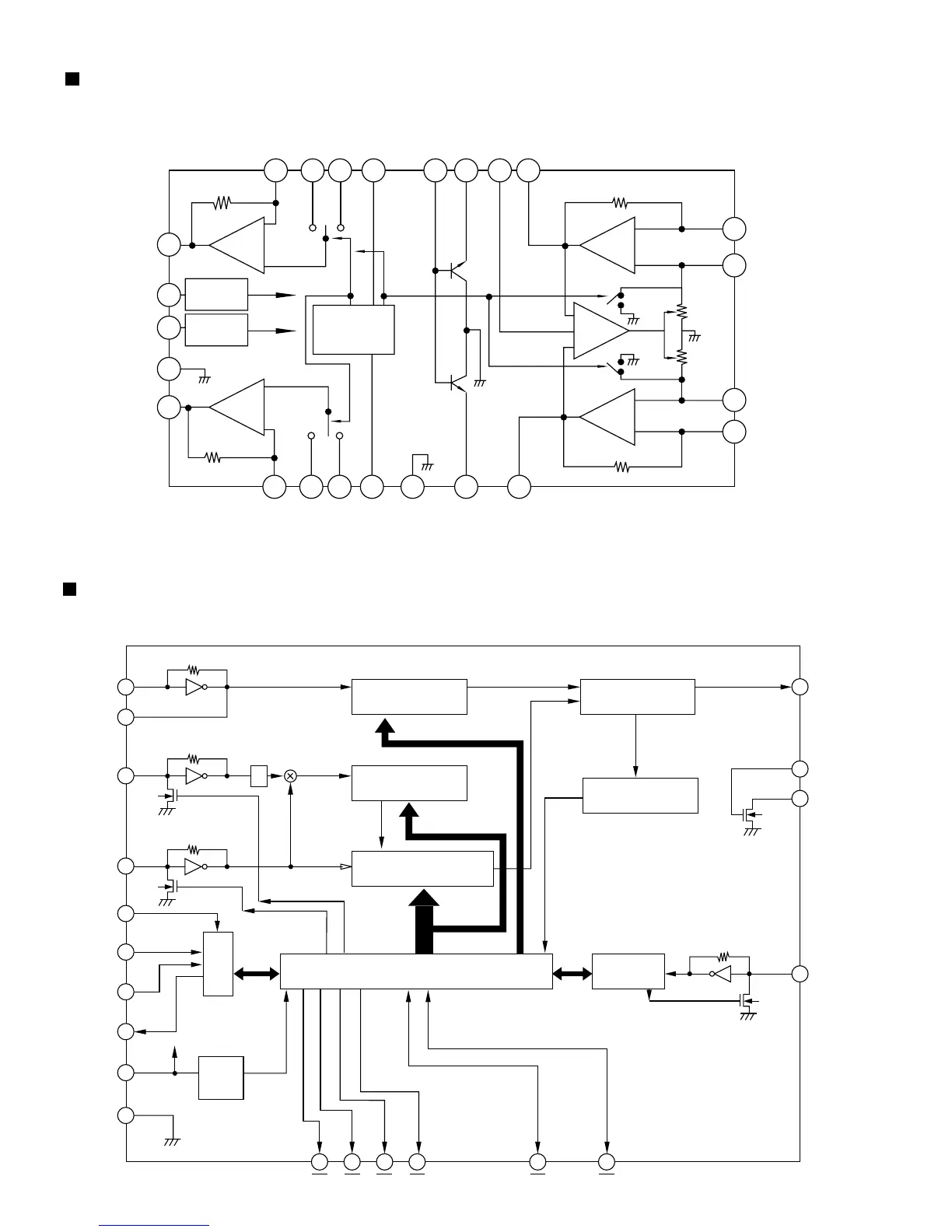
KA22291 (DIC1) : Cassette amp.
23 22 21 8 20 19 18 15
24
16
17
9
1
2 3 4 5 7 6 10
11
12
13
14
PB
NF(2)
PR IN(2)
R/P
SW
MUTE
SW
MUTE
(IN2)
ALC RECOUT(2)
100K
PRE
RECORD
LREF
PLAYBACK
LREF
PRE
NF
100K
INPUT
PB.BIAS
REC.BIAS
INPUT
N.F
MODE CONTROL
/BIAS CIRCUIT
PU
NF(1)
PB IN(1) A/B
SW
PB GND MUTE
IN(1)
REC
OUT(1)
PB OUT(1)
REC GND
Vcc
Vcc
PBOUT(2)
100K
PRE
INPUT
N.F
ALC
DET
PRE
N.F
INPUT
REC NF(2)
REC IN(2)
REC IN(1)
REC IN(1)
100K
ALC TIME CONSTANT
R/P SW
A-IN
B-IN
A/B SELECT S/W
A-IN
B-IN
LC72131D (HIC1) : PLL
1
22
XIN
XOUT
16
FMIN
15
AMIN
3
CE
4
DI
5
CL
6
DO
17
VDD
21
Vss
C
2
B
1/F
P0WER
ON
RESET
7 8 9 10
BO1 BO2 BO3 BO4
11
IO1
13
IO2
18
PD
19
AIN
20
ADUT
12
IFIN
REFERENCE
DIVIDER
PHASE DETECTOR
CHARGE PUMP
UNLOCK
DETECTOR
UNIVERSAL
COUNTER
DATA SHIFT REGISTER
LATCH
12bita PROGRAMMABLE
DIVIDER
SWALLOW COUNTER
1/16, 1/17 4D1ts
1/2

Table of Contents

Related product manuals