EasyManua.ls Logo

JVC MX-J170V - Fm If;Det am Rf;If;Det

JVC MX-J170V
78 pages
Print Icon
To Next Page IconTo Next Page
To Next Page IconTo Next Page
To Previous Page IconTo Previous Page
To Previous Page IconTo Previous Page
Loading...
MX-J170V
1-32
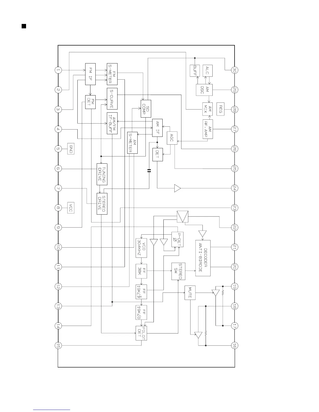
LA1837 (TIC1) : FM IF/DET AM RF/IF/DET

Table of Contents

Related product manuals