EasyManua.ls Logo

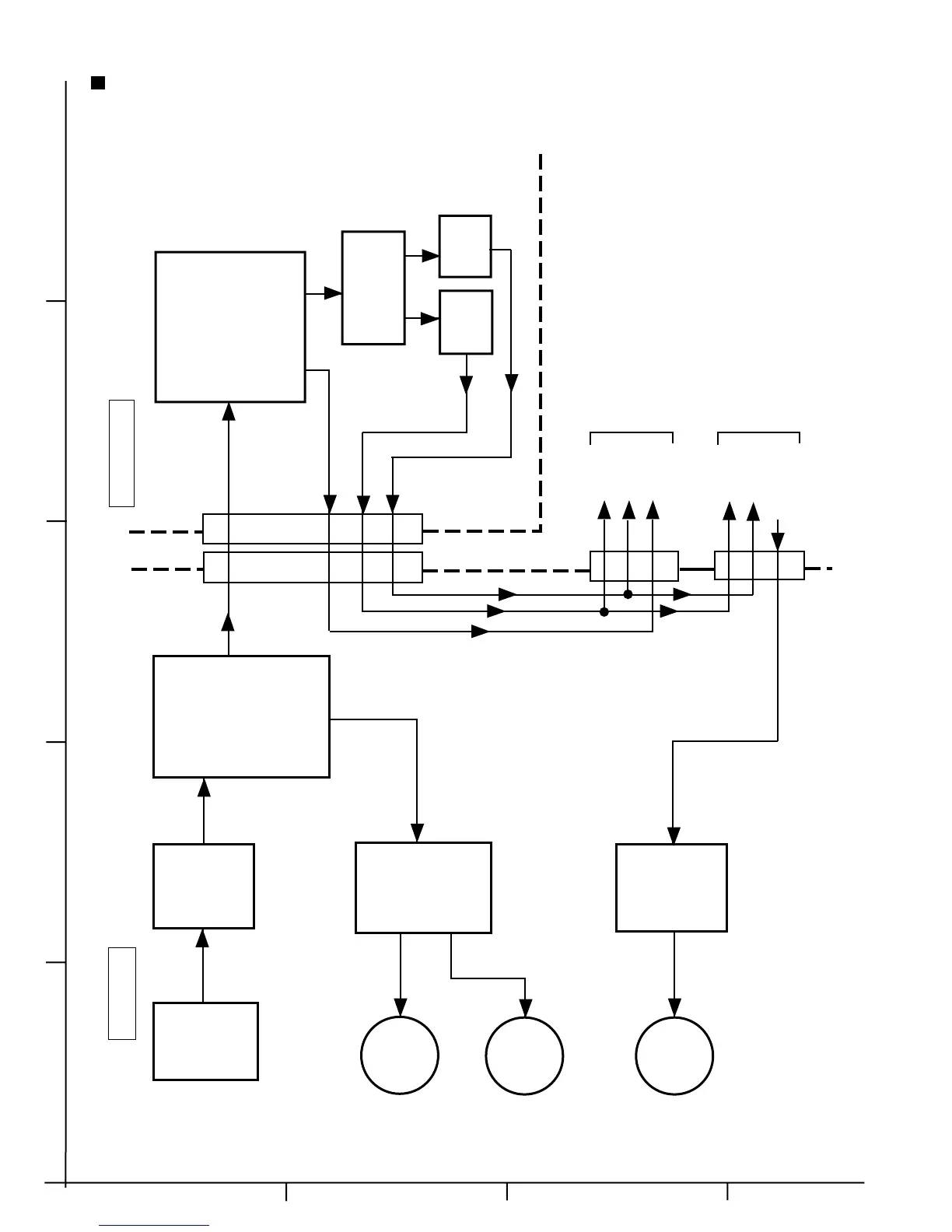
JVC MX-J170V - Sectional Block Diagrams; CD and VCD Section Block Diagram

JVC MX-J170V
78 pages
Print Icon
To Next Page IconTo Next Page
To Next Page IconTo Next Page
To Previous Page IconTo Previous Page
To Previous Page IconTo Previous Page
Loading...
ABCD
1
2
3
4
5
MX-J170V
2-2
PICK-UP
DATA AMP
&
LASER
SUPPLY
IC024
DIGITAL
SERVO
PROCESSOR
IC327
SPINDLE
MOTOR
SLED
MOTOR
OPEN/
CLOSE
MOTOR
MOTOR
DRIVER
MOTOR
DRIVER
IC073
IC082
NCW3
NCW2
NCW1
SCON3 DIGITAL
SIGNAL
PROCESSOR
STEREO
FILTER DAC
AMP AMP
CI 1
AI 1
ALI 1
ARI 1
VIDEO
L
L
R
R
OPEN/
CLOSE
OPEN/CLOSE
L
L
R
R
VIDEO
MAIN section
FRONT section
VCD section
CD section
CD & VCD section

Table of Contents

Related product manuals