EasyManua.ls Logo

KEB COMBIVERT F5 Servo - Page 310

KEB COMBIVERT F5 Servo
378 pages
Print Icon
To Next Page IconTo Next Page
To Next Page IconTo Next Page
To Previous Page IconTo Previous Page
To Previous Page IconTo Previous Page
Loading...
6 12
KEB COMBIVERT F5
8
Name: Basis
04.05.04
Chapter Section Page Date
© KEB Antriebstechnik, 2002
All rights reserved
Functional Description Technology Control
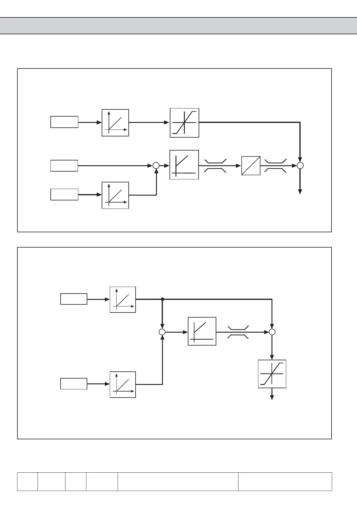
PID-Controller with precontrol (Variant 2; dancing position control with precontrol - only for F5-G/B)
PID-Controller with precontrol (Variant 3; e.g. for speed regulation with tacho generator - only for F5-G/B)
AN1
AN2
cn.0 = 0
cn.2 = 1
ru.27
ru.29
ru.28
ru.30
cn.4...6
cn.10
ru.52
oP.0=0
+
-
ru.2
cn.1
%
V
%
V
ru.1
+
+
cS.0 = 1
cn.7/8 cS.4
%
Hz
cn.14
ru.2
Analog
precontrol
Digital set
value
Real value
Characteristic
amplifier
An-parameter
Characteristic
amplifier
An-parameter
PID controller
Ramp generator
Ramp
output value
AN1
AN2
cn.0 = 1
cn.2 = 1
ru.27
ru.29
ru.28
ru.30
cn.4...6
cn.10
cn.7/8
ru.52
oP.0=1
+
-
ru.2
%
V
%
V
ru.1
ru.53
An.30=8200
+
+
cn.1 = 0
Real value
Characteristic
amplifier
An-parameter
Analog set
value and
precontrol
Characteristic
amplifier
An-parameter
PID controller
Ramp generator
oP-parameter
cS.0 = 0
Ramp
output value

Table of Contents

Other manuals for KEB COMBIVERT F5 Servo

Related product manuals