EasyManua.ls Logo

Keithley 3730 - Frequency Connections; Frequency and Period Measurement Procedure; Figure 5-32: FREQ and PERIOD Input Connections; Figure 5-33: FREQ and PERIOD Connections (Switching Module)

Keithley 3730
234 pages
Print Icon
To Next Page IconTo Next Page
To Next Page IconTo Next Page
To Previous Page IconTo Previous Page
To Previous Page IconTo Previous Page
Loading...
Series 3700
System Switch/Multimeter User's Manual Section 5:
Basic Digital Multimeter (DMM) Operation
Document Number: 3700S
-900-01 Rev. A / August 2007 5-
49
The Series 3700 completes a reading when it receives its first positive zero-crossing after the
gate time expires. For example, for any arbitrary frequency, you may wait up to the gate time
plus two times the period of the input waveform before the Series 3700 returns a reading.
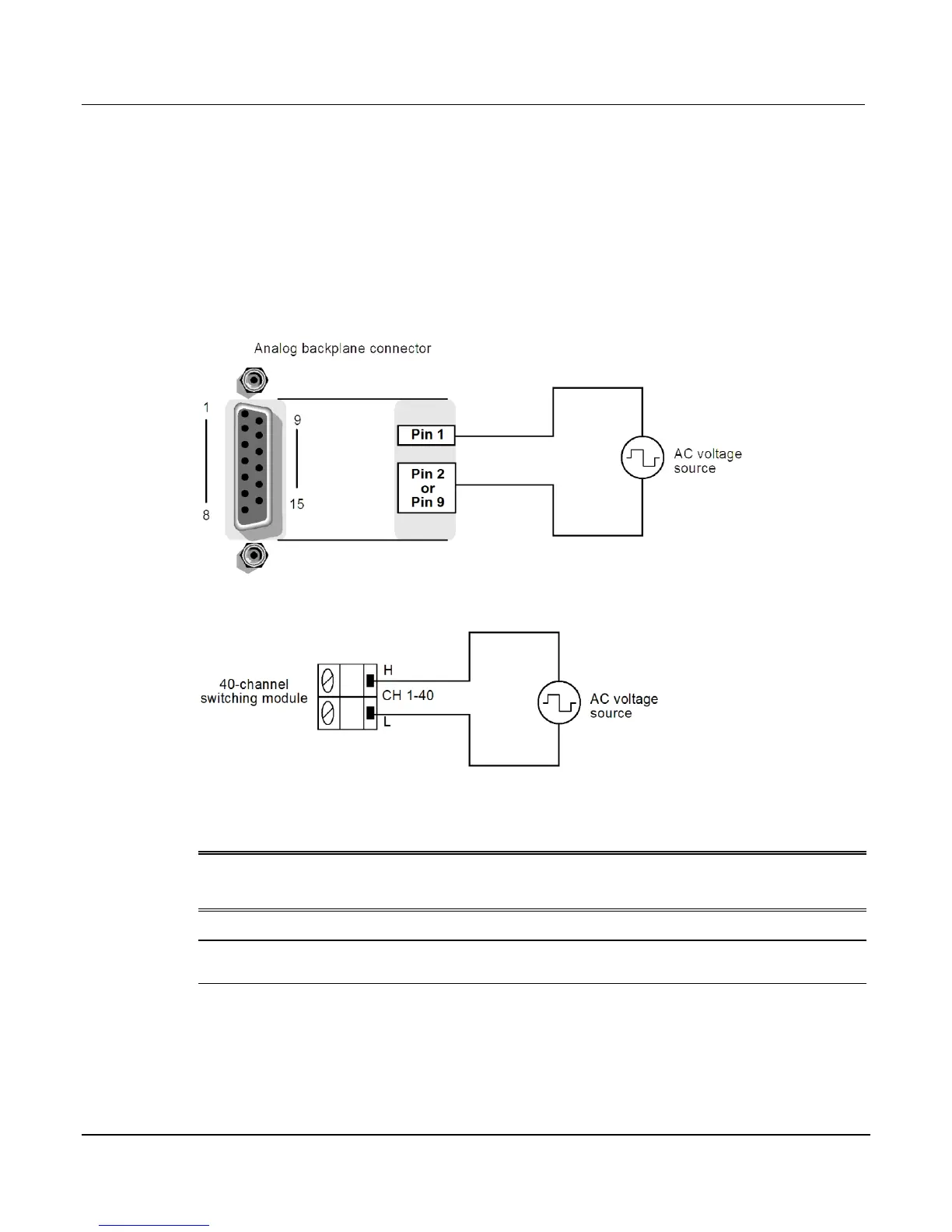
Frequency connections
Frequency connections for the Series 3700 as well as a switching module are shown below.
Figure 5-32: FREQ and PERIOD input connections
Figure 5-33: FREQ and PERIOD connections (switching module)
Frequency and period measurement procedure
CAUTION Do not apply more than the maximum input levels for the Series 3700 or
installed switching module (whichever is lower) or instrument damage may
occur.
NOTE If the Series 3700 is in remote, place the unit in local by pressing the LOCAL or EXIT
key.
1. Press the OPENALL key to open all switching channels.
2. Select the frequency measurement function by pressing the FUNC key until "FRQ" is
displayed.

Table of Contents

Other manuals for Keithley 3730

Related product manuals