EasyManua.ls Logo

Keysight Technologies AC6801B - Status Overview

Keysight Technologies AC6801B
197 pages
Print Icon
To Next Page IconTo Next Page
To Next Page IconTo Next Page
To Previous Page IconTo Previous Page
To Previous Page IconTo Previous Page
Loading...
Status Overview
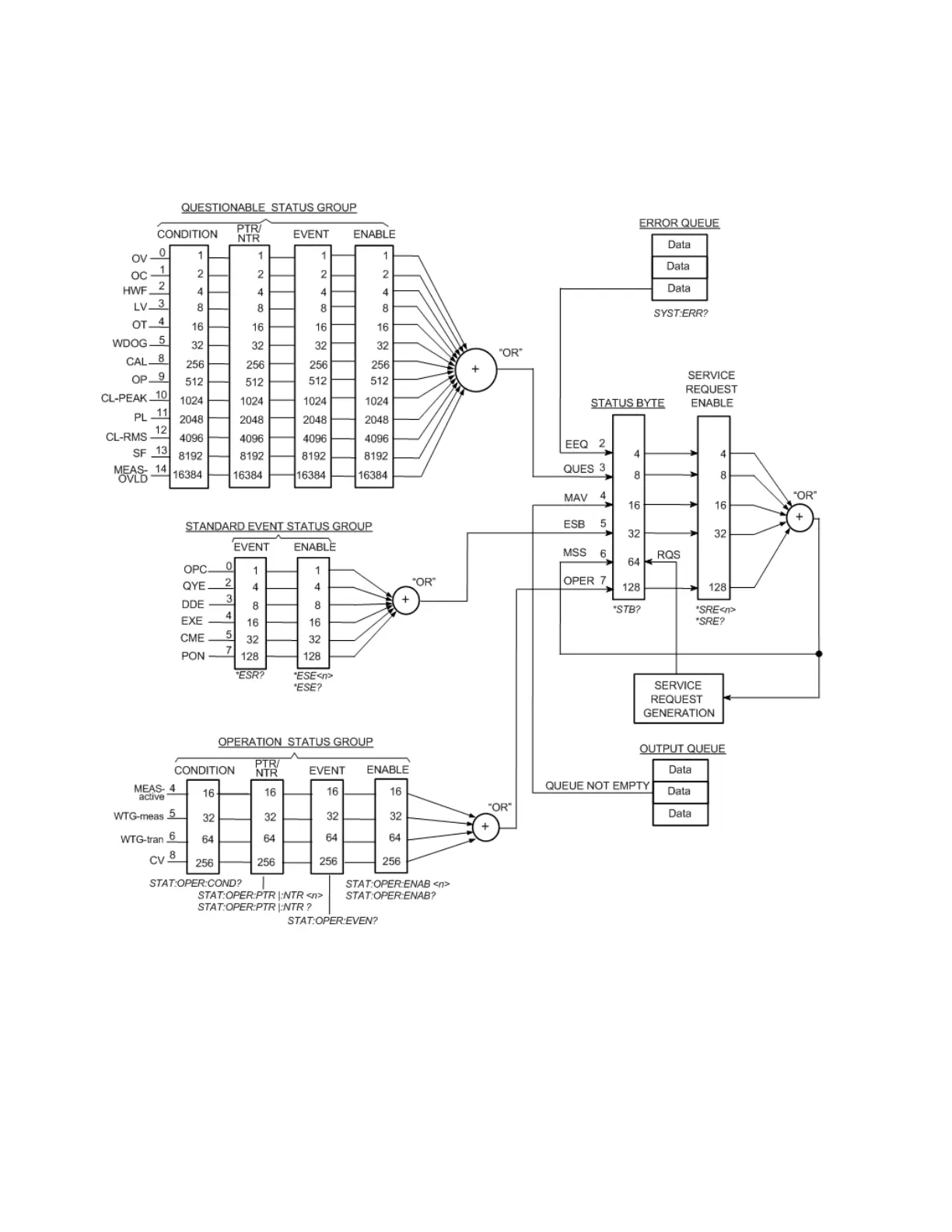
This section provides a detailed description of the individual registers and register groups. The status
diagram below provides an graphical view of how the status registers and groups are interconnected.
Keysight AC6800B Series Operating and Service Guide 101
3SCPI Programming Reference

Table of Contents