EasyManua.ls Logo

KLR 950 - 2: Minimum Space Required When Installed on a Conveyor

Default Icon
93 pages
Print Icon
To Next Page IconTo Next Page
To Next Page IconTo Next Page
To Previous Page IconTo Previous Page
To Previous Page IconTo Previous Page
Loading...
KLR.950 Revision: 2023-10-06
Serial numbers: 3008 – beyond
KLR.00001 – beyond
11
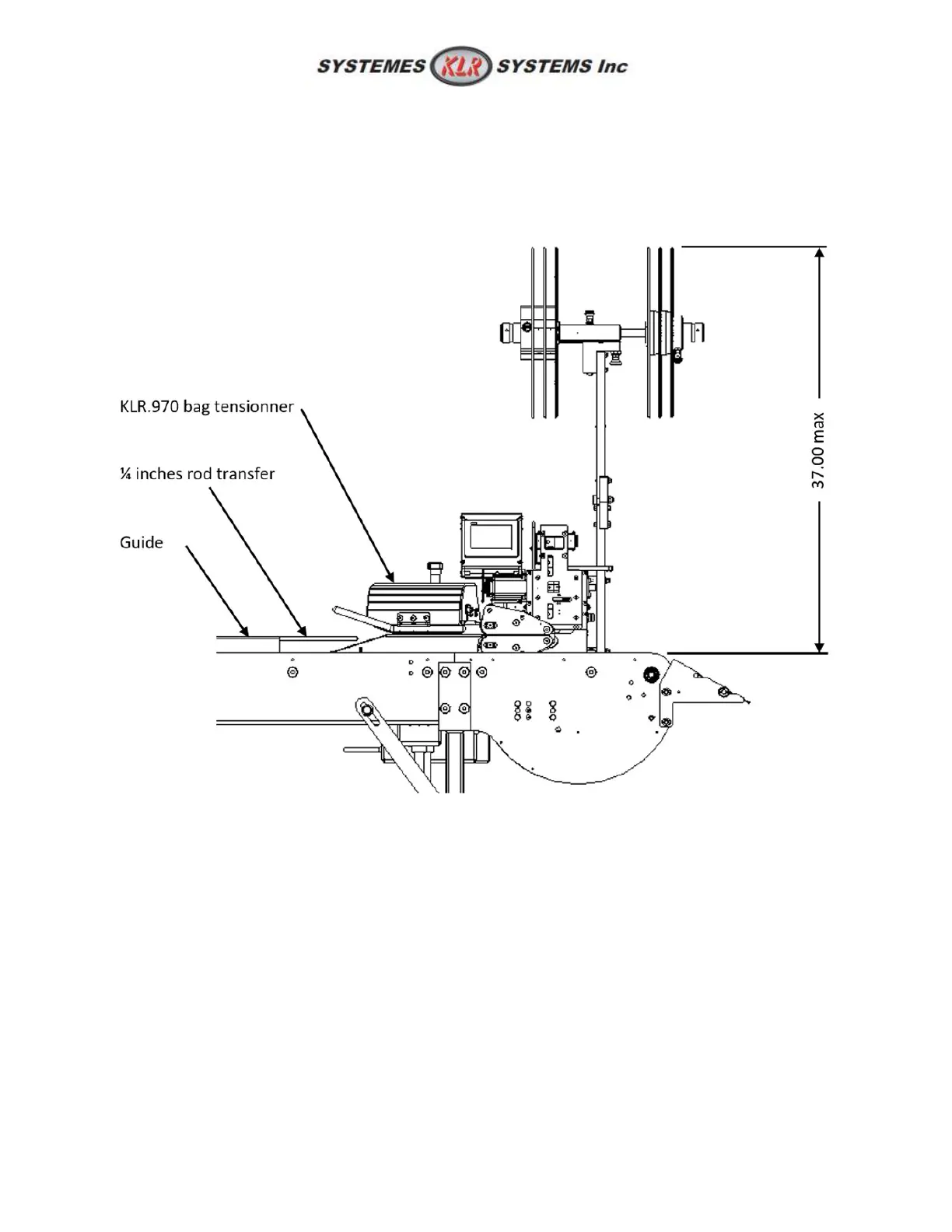
4.4.2: Minimum space required when installed on a conveyor
Refer to measuring for a standard setup with a KLR.950 and KLR.970. Products must be contrained by
guides on both sides to prevent product going into the system. Those guides should at least be present
until the bag tail is engaged into the KLR.950 bag closer machine. These is another view on the next
page. Dimensions are in inches
Note:
Multiple pieces have been removed to clarify the image

Table of Contents