EasyManua.ls Logo

La San Marco 100 E/S PRACTICAL - Page 37

La San Marco 100 E/S PRACTICAL
Print Icon
To Next Page IconTo Next Page
To Next Page IconTo Next Page
To Previous Page IconTo Previous Page
To Previous Page IconTo Previous Page
Loading...
28
ENGLISH
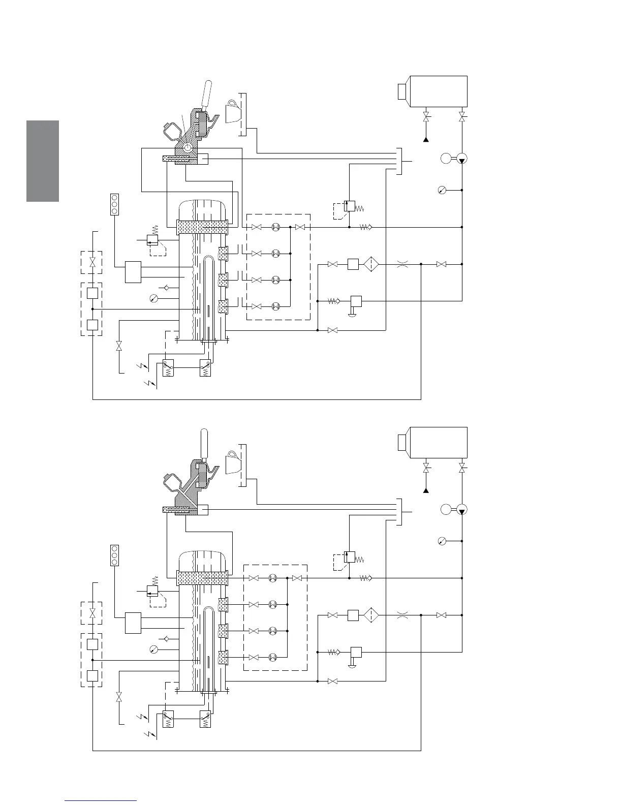
2.1 General water system diagram
Models 100 Models 100 DTC



0




























18
19
20
M
1
2
3
4
5
6
8
7
12
14
15
16
17
40
39
38
36
34
37
32
30
31
24
26
27
28
23
21
9
11
10
13
22
29
35
25
41

Table of Contents

Related product manuals