EasyManua.ls Logo

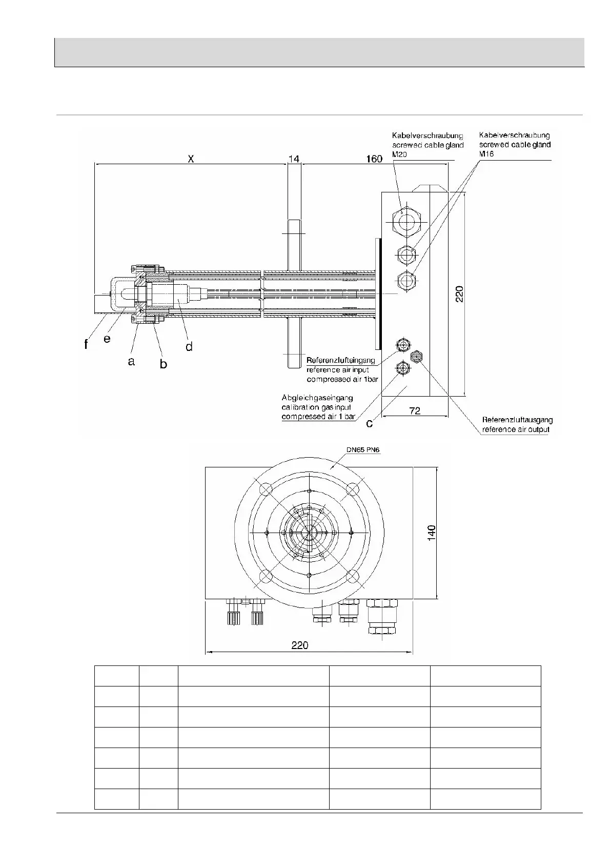
Lamtec LT 2 - Dimension Drawing of KS1-DK Combination Probe

Lamtec LT 2
105 pages
Print Icon
To Next Page IconTo Next Page
To Next Page IconTo Next Page
To Previous Page IconTo Previous Page
To Previous Page IconTo Previous Page
Loading...
10 Appendix
97
10.8 Dimension drawing of KS1-DK combination probe
element pieces description item number material
a 1 Probe head 650 P 2055 1.4571
b 1 Reception tube with housing 650 P 2050...2052 1.4571
c 1 Probe connection box (PCB) 656 P 2034…2054 Die-cast AL
d 1 KS 1D probe 656 P 2030…2032
e 1 Filter insert 650 R 2055 Hastelloy X
f 1 Baffle plate

Table of Contents

Related product manuals