EasyManua.ls Logo

Leadshine SMC6480 - Servo Drive Connection; Proximity Sensor Connection

Leadshine SMC6480
33 pages
Print Icon
To Next Page IconTo Next Page
To Next Page IconTo Next Page
To Previous Page IconTo Previous Page
To Previous Page IconTo Previous Page
Loading...
SMC6000 Series Motion Controller Hardware Installation Manual
24
HWMN-SMC6-R20120417
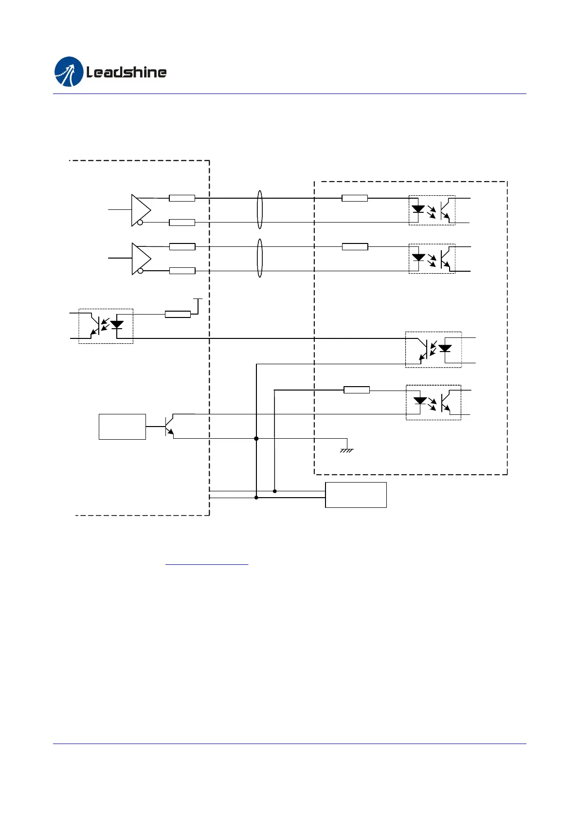
4.2 Servo Drive Connection
The connections to Panasonic servo motor drive is shown in figure 4-3.
PUL1+
PUL1-
PULS1
PULS2
DIR1+
DIR1-
SIGN1
SIGN2
INP1
24V+
COIN+
COIN-
OUT3
EXGND
SRV-ON
COM-
24V Power
Supply
+24V
Ground
Panasonic Servo Drive
SMC6000
PUL
DIR
Twisted Pair
Opto-
isolator
24V+
24V-
COM+
Twisted Pair
Figure 4-3: Connections to Panasonic AC servo motor drive
Note: Contact Leadshine at tech@leadshine.com if you have any questions or problems on the connection.
4.3 Proximity Sensor Connection
Figure 4-4 illustrates the connection between Leadshine SMC6000 and proximity sensor. Here we take the OMRON
TL-Q5MC2 as example.
Authorized Distributor of Leadshine Technology
www.leadtronker.com
www.leadtronker.com雷赛智能官方代理:雷创智能科技

Related product manuals