EasyManua.ls Logo

Leadshine SMC6480 - Photoelectric Sensor Connection; Relay Connections

Leadshine SMC6480
33 pages
Print Icon
To Next Page IconTo Next Page
To Next Page IconTo Next Page
To Previous Page IconTo Previous Page
To Previous Page IconTo Previous Page
Loading...
SMC6000 Series Motion Controller Hardware Installation Manual
25
HWMN-SMC6-R20120417
SMC6000 Blue 0V
IN
EXGND
OMRON
TL-Q5MC2
Black OUT
Brown +V
24 V+
24 V+
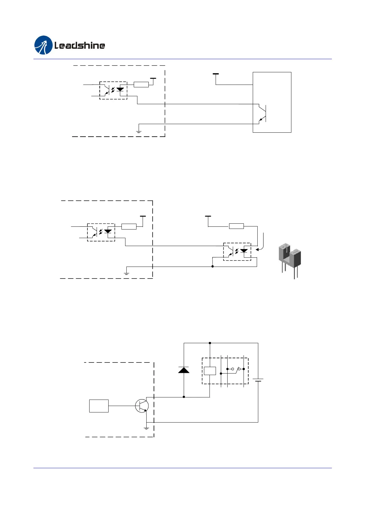
Figure 4-4: Connections to proximity sensor
4.4 Photoelectric Sensor Connection
Figure 4-4 illustrates the connection between Leadshine SMC6000 and proximity sensor. Here we take the RG150-8
as example.
SMC6000
IN
EXGND
24 V+
i = 10 mA
RG150-8
24 V+
Figure 4-5: Connections to photoelectric sensor
4.5 Relay Connections
Figure 4-6 shows how to connect the SMC6000 to a mechanical relay. A diode must be parallel between the input
coil of the relay to by pass the inductive voltage which may damage the output circuit of SMC6000.
EXGND
OUT3
7
8 6
5
4
3
2
1
Relay
24 VDC
Diode
1N4001
ULN2803
SMC6000
40V, 60mA Max
Filter
Figure 4-6: Connections to relay
Authorized Distributor of Leadshine Technology
www.leadtronker.com
www.leadtronker.com雷赛智能官方代理:雷创智能科技

Related product manuals