EasyManua.ls Logo

Leakwise SLC-220 - Page 87

Default Icon
92 pages
Print Icon
To Next Page IconTo Next Page
To Next Page IconTo Next Page
To Previous Page IconTo Previous Page
To Previous Page IconTo Previous Page
Loading...
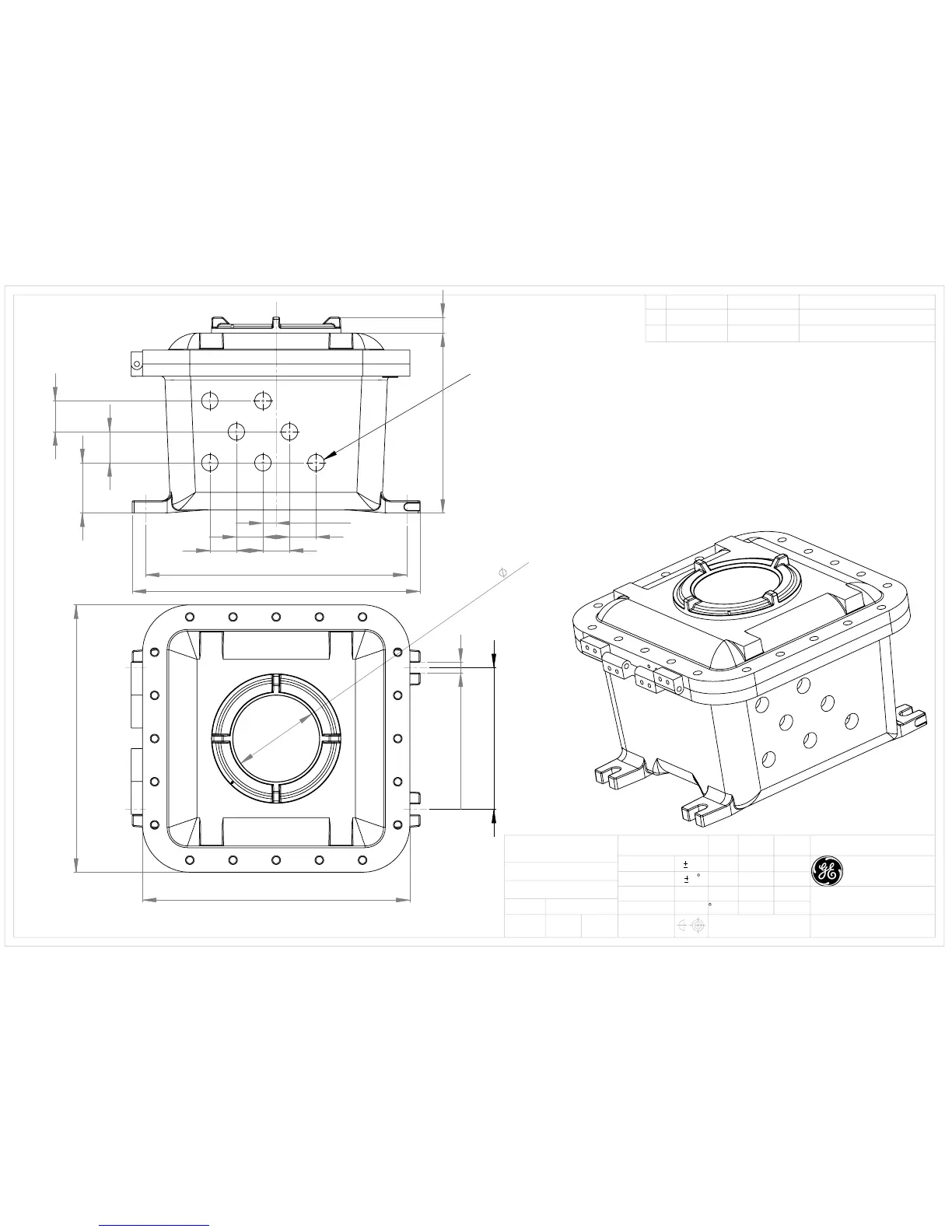
413 REF.
413 REF.
GLASS WINDOW
133
FOR MOUNTING SCREW
16 TYP
219 BETWEEN MOUNTING SCREWS
77.72
47.75
47.75
41
41 41
41
444.5 REF.
289 REF.
25
20.50
403 mm BETWEEN MOUNTING SCREWS
3/4" NPT (x7) (ONE WALL)
NOTES:
* THREADS SUPPLIED WITHOUT CABLE ENTRIES.
* ALL THREADS ARE CLOSED WITH CERTIFIED PLUGS.
*SEALING: IP66
*ENCLOSURE MATERIAL: COPPER FREE ALUMINIUM ALLOY.
MATERIAL:
FINISH:
DATE
DRAWING NUMBER:
CSLC70020
1:5
SCALE:
SHEET
OF
1 1
TITLE:
SLC-220-
N7/BASIC
SIZE
A3
WT.
QT.:
1
DD/MM/YY
TREATMENT:
.
ADALET CAT.
NO. 121208
TOLERANCES UNLESS
OTHERWISE SPECIFIED
LINEAR
ANGULAR
SURFACE FINISH
BREAKEDGES
0.2
1
N7
0.2x45
DATE
NAME
DESIGN
DRAWN
CHECK
APPROV
H. KOREN
H. KOREN
H. KOREN
H. KOREN
20/09/15
20/09/15
20/09/15
20/09/15
USED ON:
SLC-220-
N7/BASIC
DESCRIPTION
DATE
APPR BY
REV
DD/MM/YY
H. KOREN
ECR. No.
GE
Water & Process Technologies
Analytical Instruments

Related product manuals