EasyManua.ls Logo

Leitch FR-684AV - Chapter 2: UDA-683 Utility Video Distribution Amplifier Modules; Functional Block Diagram; Installation

Leitch FR-684AV
76 pages
Print Icon
To Next Page IconTo Next Page
To Next Page IconTo Next Page
To Previous Page IconTo Previous Page
To Previous Page IconTo Previous Page
Loading...
8 680 Series Video Distribution Amplifiers Installation and Operation Manual
Chapter 2: UDA-683 Utility Video Distribution Amplifier Modules
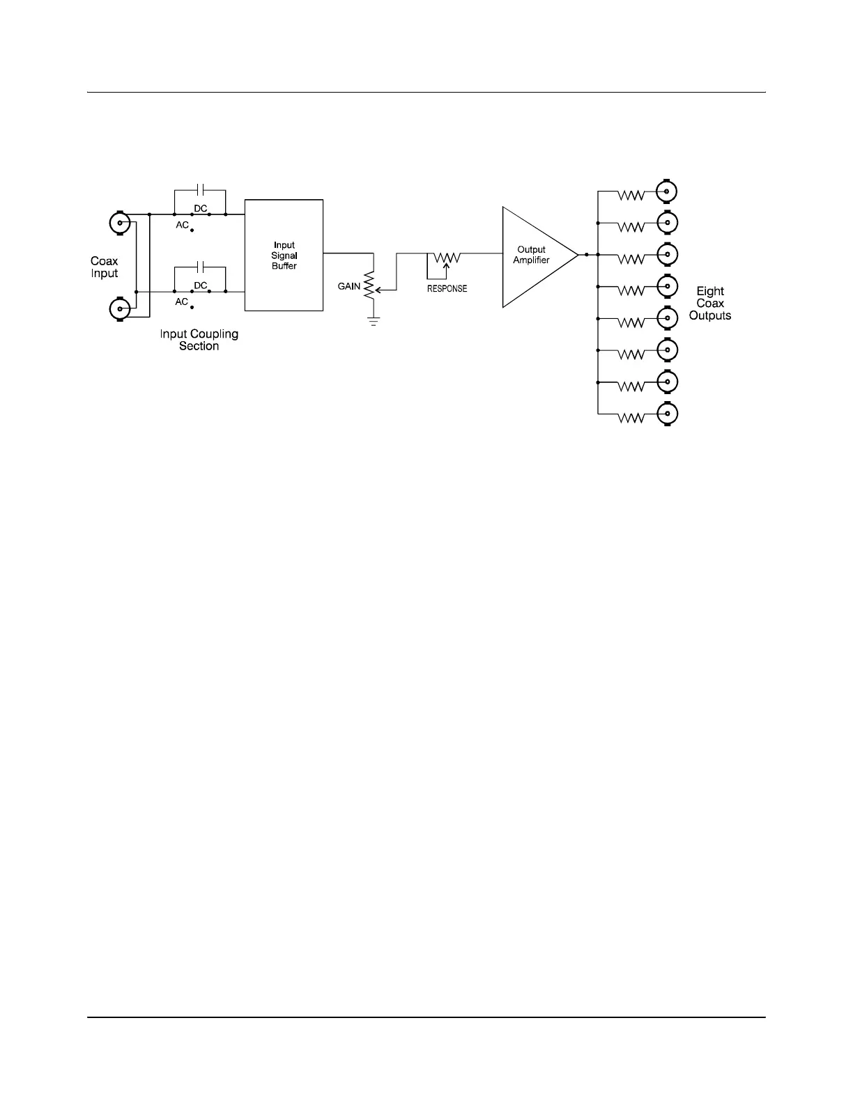
Functional Block Diagram
Figure 2-2. UDA-683 Functional Block Diagram
Installation
UDA-683 utility video distribution amplifier modules can be installed in these
frames:
FR-684 – 10 video DA modules mounting frame
FR-684AV – 5 video and 5 audio DA modules mounting frame
There is no need to terminate unused outputs, but a perfect response can be
obtained if unused outputs are terminated.

Table of Contents

Related product manuals