EasyManua.ls Logo

Leitch FR-684AV - Chapter 3: VDA-683 Differential Input Video Distribution Amplifier Modules; Functional Block Diagram; Installation

Leitch FR-684AV
76 pages
Print Icon
To Next Page IconTo Next Page
To Next Page IconTo Next Page
To Previous Page IconTo Previous Page
To Previous Page IconTo Previous Page
Loading...
12 680 Series Video Distribution Amplifiers Installation and Operation Manual
Chapter 3: VDA-683 Differential Input Video Distribution Amplifier Modules
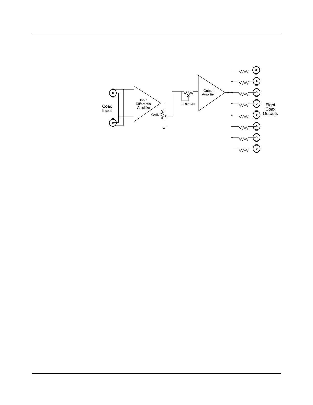
Functional Block Diagram
Figure 3-2. VDA-683 Functional Block Diagram
Installation
VDA-683 differential input video distribution amplifier modules can be
installed in these frames:
FR-683 – 4 video DA modules mounting frame
FR-684 – 10 video DA modules mounting frame
FR-684AV – 5 video and 5 audio DA modules mounting frame
There is no need to terminate unused outputs, but a perfect response can be
obtained if unused outputs are terminated.

Table of Contents

Related product manuals