EasyManua.ls Logo

Leitch FR-684AV - Functional Block Diagram

Leitch FR-684AV
76 pages
Print Icon
To Next Page IconTo Next Page
To Next Page IconTo Next Page
To Previous Page IconTo Previous Page
To Previous Page IconTo Previous Page
Loading...
16 680 Series Video Distribution Amplifiers Installation and Operation Manual
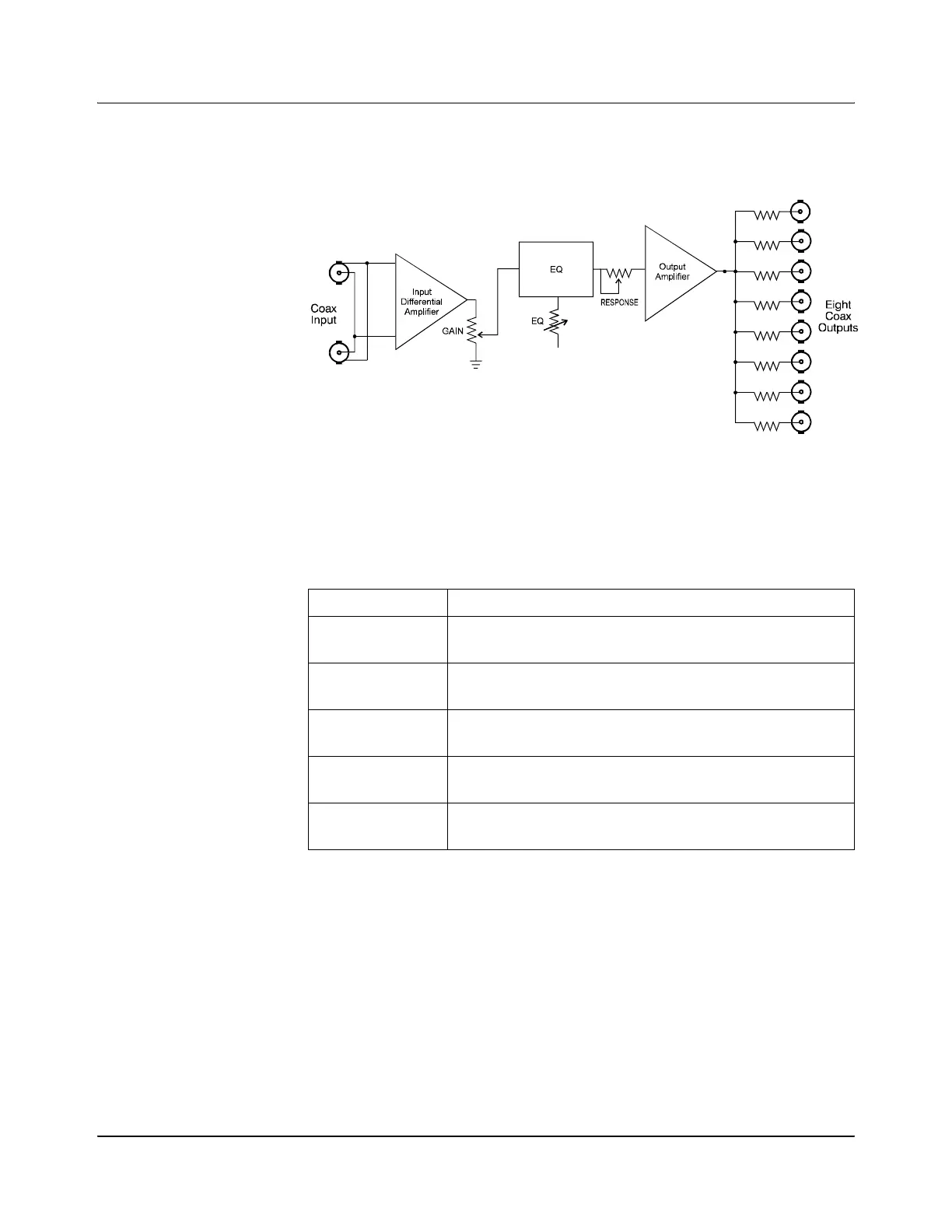
Chapter 4: VEA-683 Video Equalizing Distribution Amplifier Modules
Functional Block Diagram
Figure 4-2. VEA-683 Functional Block Diagram
The VEA-683 can compensate various types of cables with different EQ
network submodules installed in the main card by manufacturer. The following
modules are available according to cable type:
Table 4-1. VEA-683 Products and Their Equalization Cable Types
Product Equalization Cable Type
VEA-683 Equalizing video distribution amplifier for 984 ft (300 m)
Belden 8281 cable
VEA-683-1 Equalizing video distribution amplifier for 656 ft (200 m)
Belden 8241 cable
VEA-683-2 Equalizing video distribution amplifier for 820 ft (250 m)
Belden 1505A cable
VEA-683–3 Equalizing video distribution amplifier for 984 ft (300 m)
Belden 1694A cable
VEA-683-4 Equalizing video distribution amplifier for 656 ft (200 m) PSF
1/3 cable

Table of Contents

Related product manuals