EasyManua.ls Logo

Lexmark MX911dte - Assembly 13: Tray 1 and 2 Transport

Lexmark MX911dte
827 pages
Print Icon
To Next Page IconTo Next Page
To Next Page IconTo Next Page
To Previous Page IconTo Previous Page
To Previous Page IconTo Previous Page
Loading...
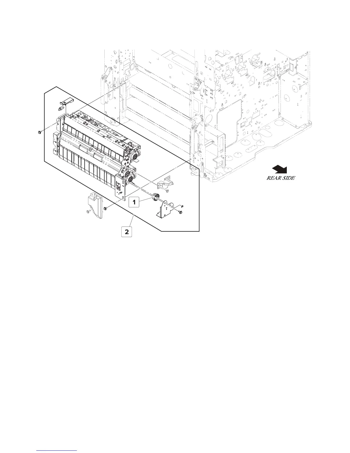
Assembly 13: Tray 1 and 2 transport
7421
Parts catalog
567

Table of Contents

Related product manuals