EasyManua.ls Logo

Lexmark MX911dte - Assembly 53: ADF Paper Transport 2

Lexmark MX911dte
827 pages
Print Icon
To Next Page IconTo Next Page
To Next Page IconTo Next Page
To Previous Page IconTo Previous Page
To Previous Page IconTo Previous Page
Loading...
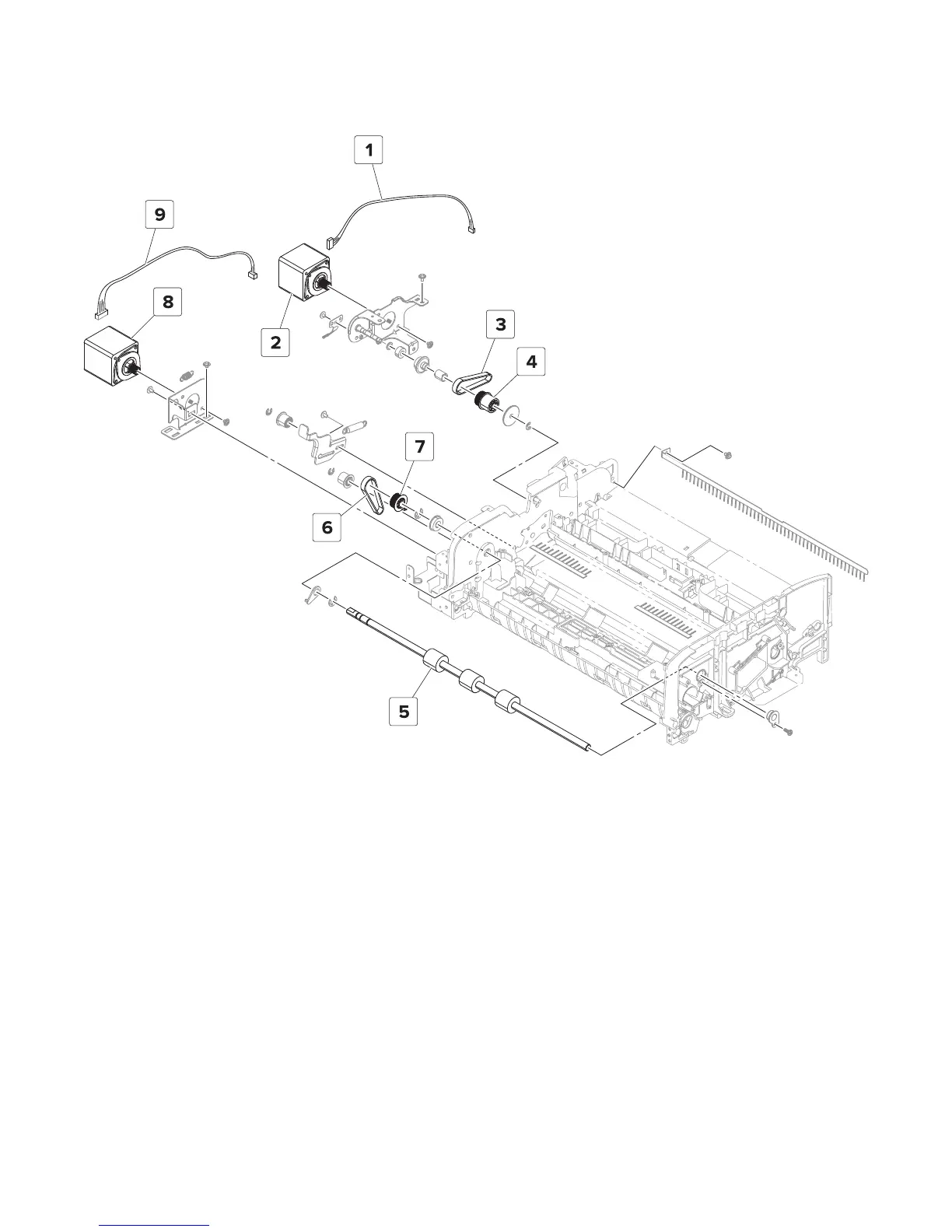
Assembly 53: ADF paper transport 2
7421
Parts catalog
647

Table of Contents

Related product manuals