EasyManua.ls Logo

Lexmark MX911dte - Assembly 16: Tray 2 Feed

Lexmark MX911dte
827 pages
Print Icon
To Next Page IconTo Next Page
To Next Page IconTo Next Page
To Previous Page IconTo Previous Page
To Previous Page IconTo Previous Page
Loading...
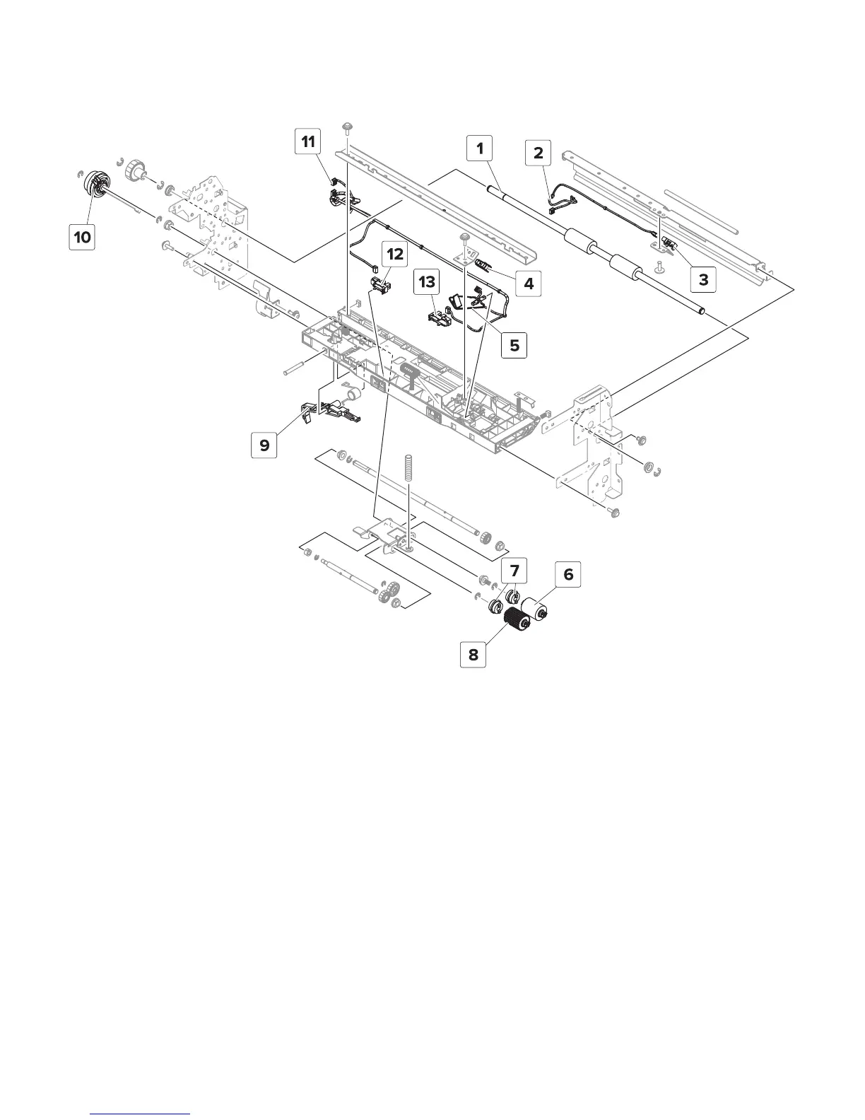
Assembly 16: Tray 2 feed
7421
Parts catalog
573

Table of Contents

Related product manuals