EasyManua.ls Logo

LiteOn ISA-7-040-S1 - Page 43

LiteOn ISA-7-040-S1
237 pages
Print Icon
To Next Page IconTo Next Page
To Next Page IconTo Next Page
To Previous Page IconTo Previous Page
To Previous Page IconTo Previous Page
Loading...
Lite-On Technology Corp.
Industrial Automation
43
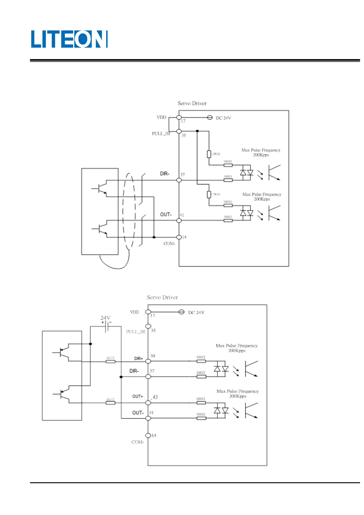
The pulse command can be input via the open collector or line driver. The maximum input pulse for the
input via the line driver is 500 Kpps. The maximum input pulse for the open collector is 200 Kpps. The
wire length is within 2m.
The pulse input source is the NPN type open collector. The power supply in the drive is used.
The pulse input source is the PNP type open collector. The power supply in the drive is used.
Within 2 m

Table of Contents

Related product manuals