EasyManua.ls Logo

LMI Selcom SLS 5000 - Electrical Installations, Examples

Default Icon
62 pages
Print Icon
To Next Page IconTo Next Page
To Next Page IconTo Next Page
To Previous Page IconTo Previous Page
To Previous Page IconTo Previous Page
Loading...
03-09-05 27
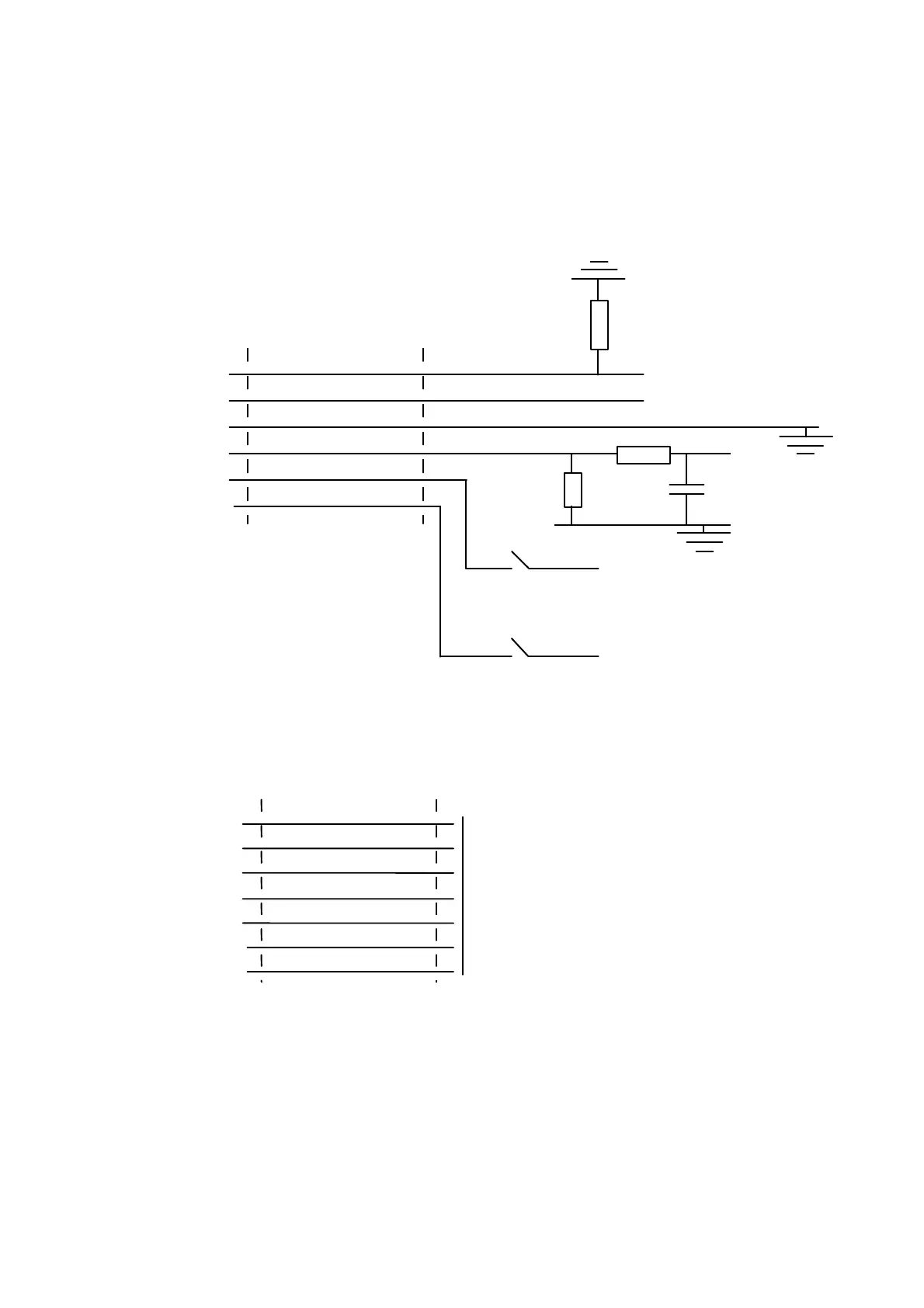
Electrical installations, examples
Below are four examples of electrical connections using the available interfaces
provided by the SLS sensor:
Analog output, 0-20 mA
SLS5000
connector
User end
8
11
12
13
14
15
Invalid out -
GND
Invalid out +
Analog out
Laser ON
Power (+24 VDC)
+ 24 VDC
Key switch
+ 24 VDC
Remote control
500 ohm
10 k ohm
10 nF
0-10 V
+ 24 VDC
LOW = Invalid, HIGH = Valid
4.7 k ohm
Figure 18: Analog output with filtering
Selcom synchronous serial interface
SLS
connector
User end
3
5
4
6
11
14
Clock
Data
Clock-inverse
Data-inverse
GND
Laser ON
Connect to SSP connector J1 or J2, ref to SSP manual.
Connect to OIM-II board connector P2, ref to OIM manual.
If an OIM-I board is used the Key switch must be provided,
ref. fig. 4.4.1.
15
Power (+24 VDC)

Table of Contents