EasyManua.ls Logo

LNS QUICK LOAD SERVO III MI - Electrical Diagrams

LNS QUICK LOAD SERVO III MI
130 pages
Print Icon
To Next Page IconTo Next Page
To Next Page IconTo Next Page
To Previous Page IconTo Previous Page
To Previous Page IconTo Previous Page
Loading...
4-10 CHAPTER 4: ELECTRICS
QUICK LOAD SERVO III MI
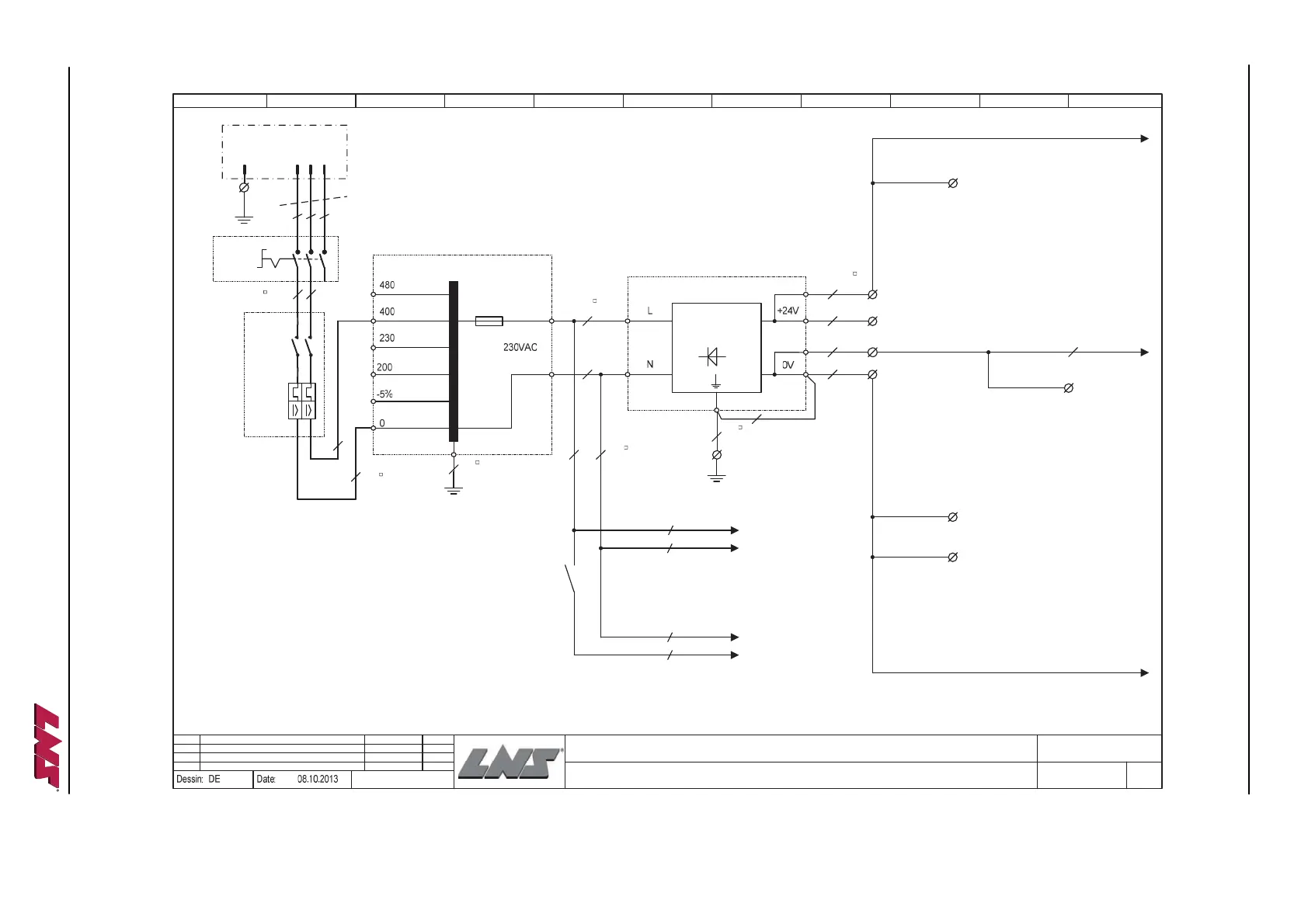
2. ELECTRICAL DIAGRAMS



  !" #! 
$#%
&'
#"%!!(&&
")
* + , ' - 
"
*
*


 
* *
.
*
/.
,
$
0
1"

0&
0&/
.&
.&
.&
.&




&/ .&
0

+2
'

*
$

* *

&1 34
+

5
$
1"
)

+
6337&
"
1"
+
6337&
"
)

),+
831
) 83#9
) 83#9
*
0
"!:#
#83
;<
.*&,
;&<
.*&
0
0&
0&/

Related product manuals