EasyManua.ls Logo

Logic DLC NET Series - Figure 24. Analog Output Connection 0-20 Ma or 4-20 Ma

Logic DLC NET Series
78 pages
Print Icon
To Next Page IconTo Next Page
To Next Page IconTo Next Page
To Previous Page IconTo Previous Page
To Previous Page IconTo Previous Page
Loading...
USE AND MAINTENANCE MANUAL DLC
NET
Series
Installation
LOGIC S.r.l. - M0145Db.docx
Mod. L0006A01 of 30/05/2016
Page 33 of 78
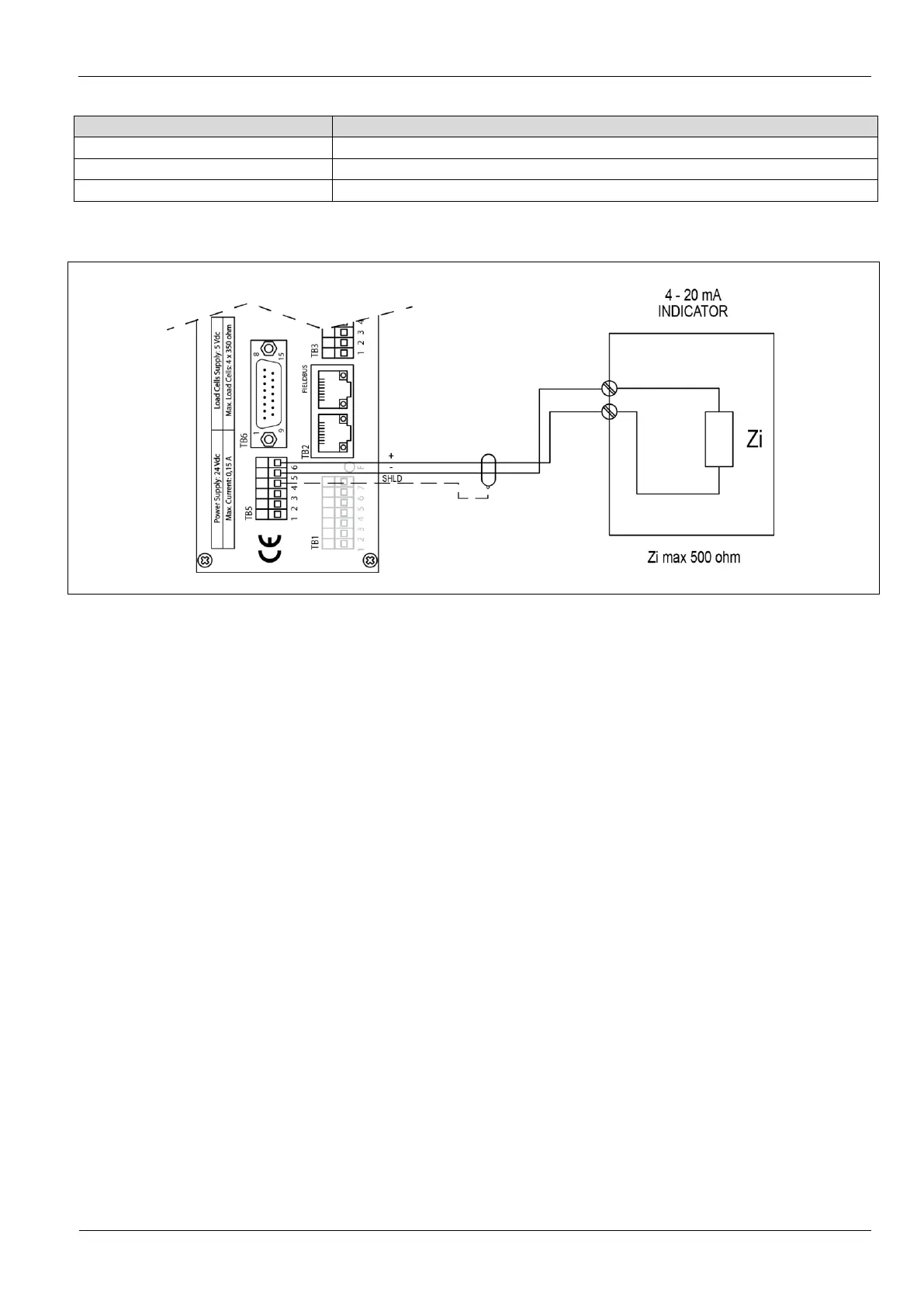
Table 16. Analog output connection
Pin on DLC
NET
Description
TB5-4
Schield (SHLD)
TB5-5
I-
TB5-6
I+
Figure 24. Analog output connection 0-20 mA or 4-20 mA

Table of Contents