EasyManua.ls Logo

Lubing LC-2 - Touch Controller LCM

Lubing LC-2
58 pages
Print Icon
To Next Page IconTo Next Page
To Next Page IconTo Next Page
To Previous Page IconTo Previous Page
To Previous Page IconTo Previous Page
Loading...
Top climate system
with LUBING Touch Controller
Copyright © Lubing System - All rights reserved
47
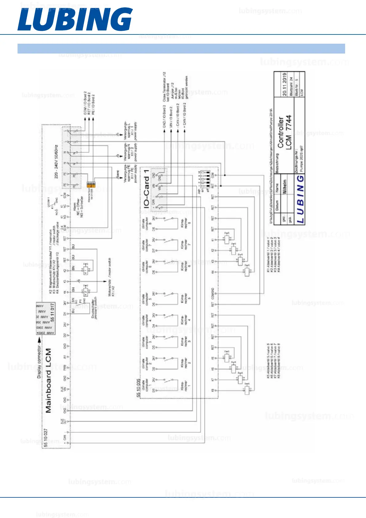
8.5 Touch Controller LCM
lubingsystem.com
lubingsystem.com
lubingsystem.com
lubingsystem.com
lubingsystem.com
lubingsystem.com
lubingsystem.com
lubingsystem.com
lubingsystem.com
lubingsystem.com
lubingsystem.com
lubingsystem.com
lubingsystem.com
lubingsystem.com
lubingsystem.com
lubingsystem.com
lubingsystem.com
lubingsystem.com
lubingsystem.com
lubingsystem.com
c
om
l
ubin
g
s
y
stem.c
om
lub
i
n
g
s
y
stem.c
om
lubin
g
s
y
stem.
com
l
ub
i
n
g
s
y
stem.c
om
lub
i
n
g
s
y
stem.co
m
lub
i
ngsystem.co
m
l
ub
i
ngsystem.
com
l
ub
i
ngsystem.c
om
lubingsystem.com
lubingsystem.com

Table of Contents