EasyManua.ls Logo

Magnetek Elevator Quattro DC - Page 149

Default Icon
178 pages
Print Icon
To Next Page IconTo Next Page
To Next Page IconTo Next Page
To Previous Page IconTo Previous Page
To Previous Page IconTo Previous Page
Loading...
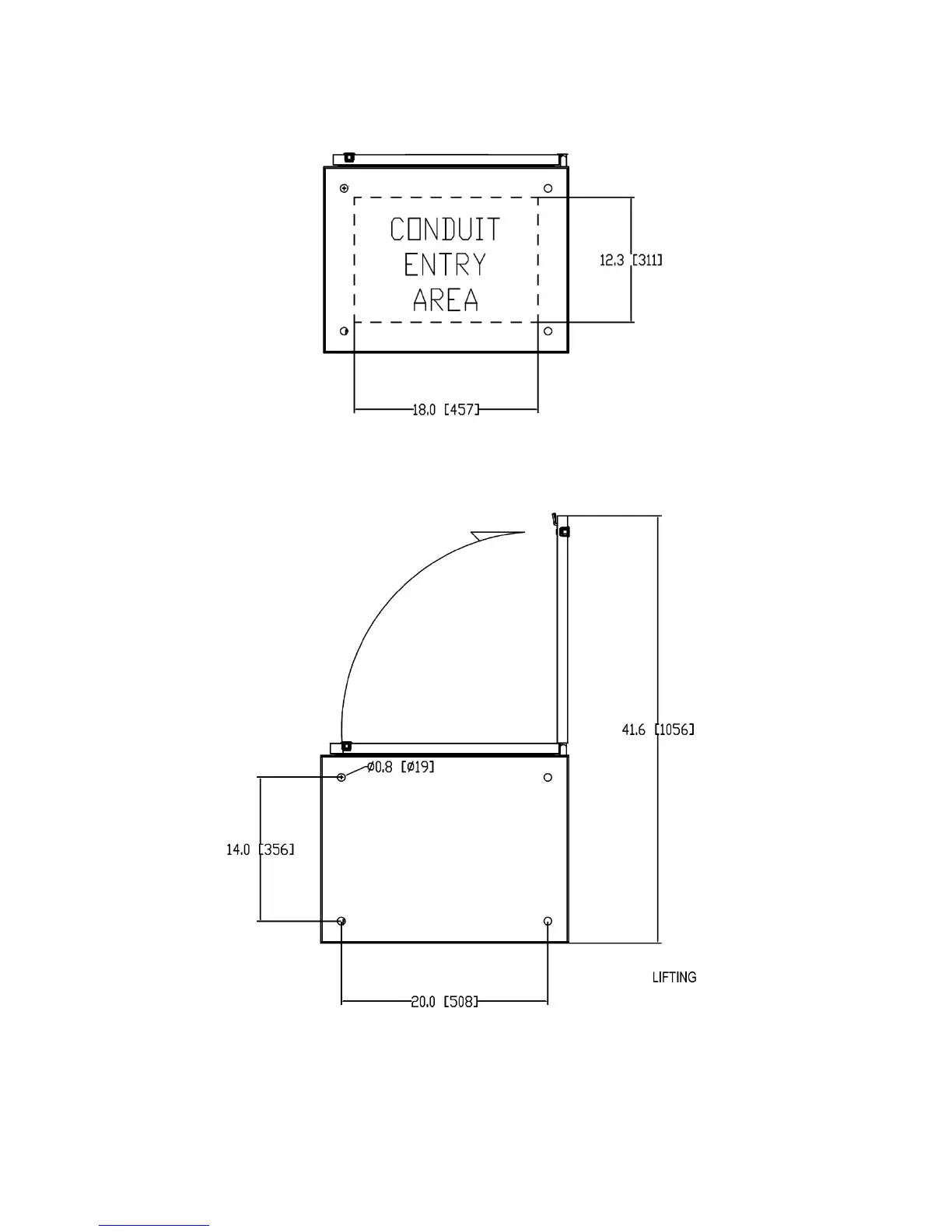
Appendix – Dimensions and Weights
147
Figure 27: Top Dimensions, no Customer I/O Panel
Figure 28: Bottom Dimensions, no Customer I/O Panel

Table of Contents