EasyManua.ls Logo

Magnetek Elevator Quattro DC - Page 27

Default Icon
178 pages
Print Icon
To Next Page IconTo Next Page
To Next Page IconTo Next Page
To Previous Page IconTo Previous Page
To Previous Page IconTo Previous Page
Loading...
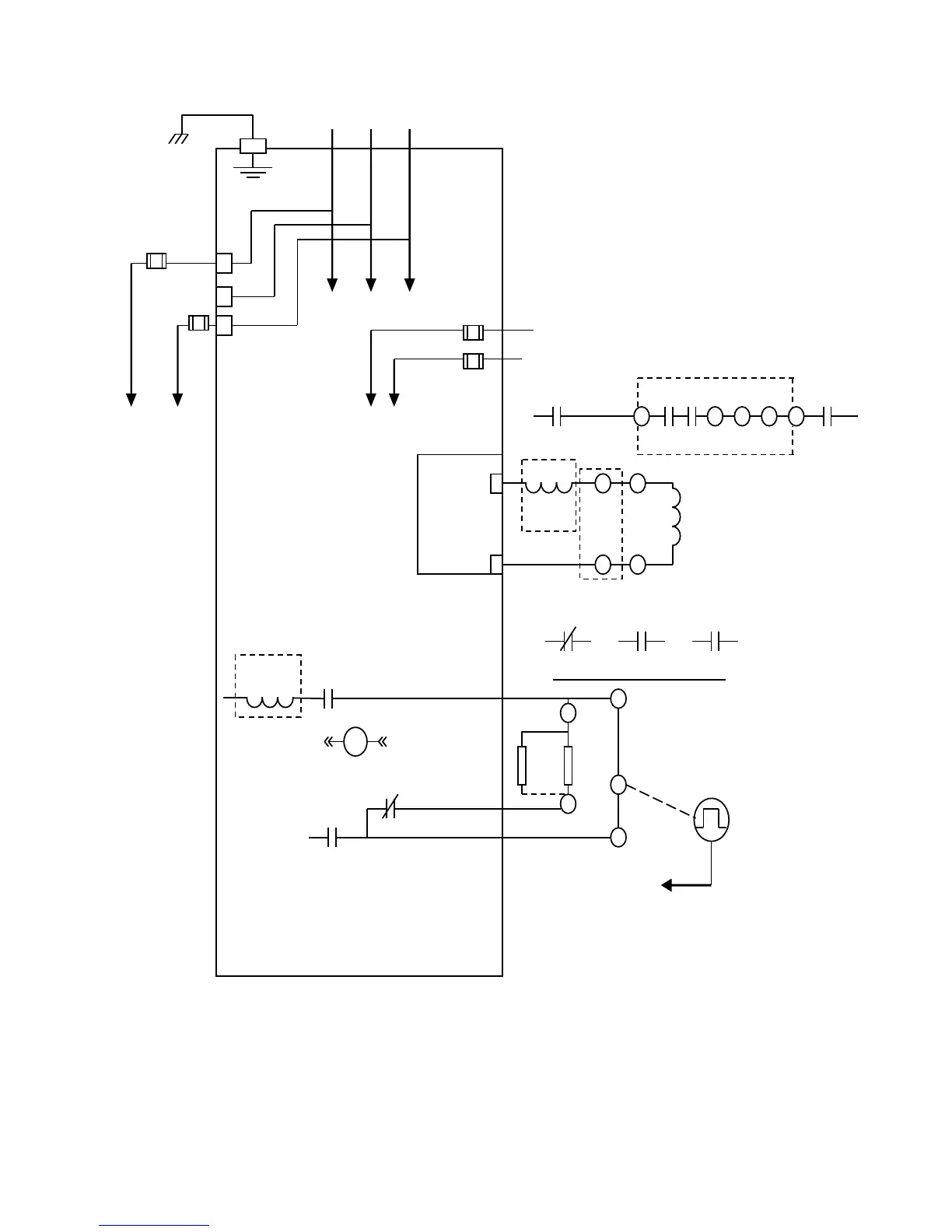
Quattro DC Interconnections
25
GND
L(1) L(2) L(3)
H(X) H(1)
Provided for
the Primary
side of the
230V control
power
transformer
To Quattro Drive
F1
F2
Internal Control
Power
2
3
TB1
Motor Field Control
SWout (+)
DCout (-)
A
24
Motor Shunt Field
(F1) (F2)
* Note 1
* Note 1
4 3 2 1
TB4 K1 K1 TB4 ME TB4 TB4
Located on A8
Safety Chain
* Note 1
Safety Chain
DBR
1-4**
DBR
5-8**
ME
ME
ME
(4)
(3)
(5) (6)
(2) (1)
(A1)
(A2)
* Note 1
Encoder to
A
6TB1
Notes:
1. * indicates components
not supplied by
Magnetek, the Quattro
motor contactor is
available in either 120V
or 230V coil power.
When the 230V option
is used the safety chain
will be brought into A8
TB4-1 and TB4-4.
When the 120V option
is used the safety chain
will be tied into TB3-13
and TB3-14. This also
will affect the A8 PCB,
the -0010 version is
230V and the -0020 is
the 120V version.
2. **indicates components
supplied upon request
3. 230V Control power
input.
Hoist Motor
K1
Part of A9
ME
(21) (22)
ME
(13) (14)
ME
(43) (44)
Motor Contactor Auxiliaries
Note 3
Field Filter
option
L4
TB3-1A
TB3-1
TB3-2A
TB3-2
Field DB
Option
TB3-3
TB3-4
TB3-7
TB3-6
Armature
Filter Option
Figure 2: Quattro DC Power Connections

Table of Contents