EasyManua.ls Logo

Marantz AV7701 - Page 204

Marantz AV7701
266 pages
Print Icon
To Next Page IconTo Next Page
To Next Page IconTo Next Page
To Previous Page IconTo Previous Page
To Previous Page IconTo Previous Page
Loading...
204
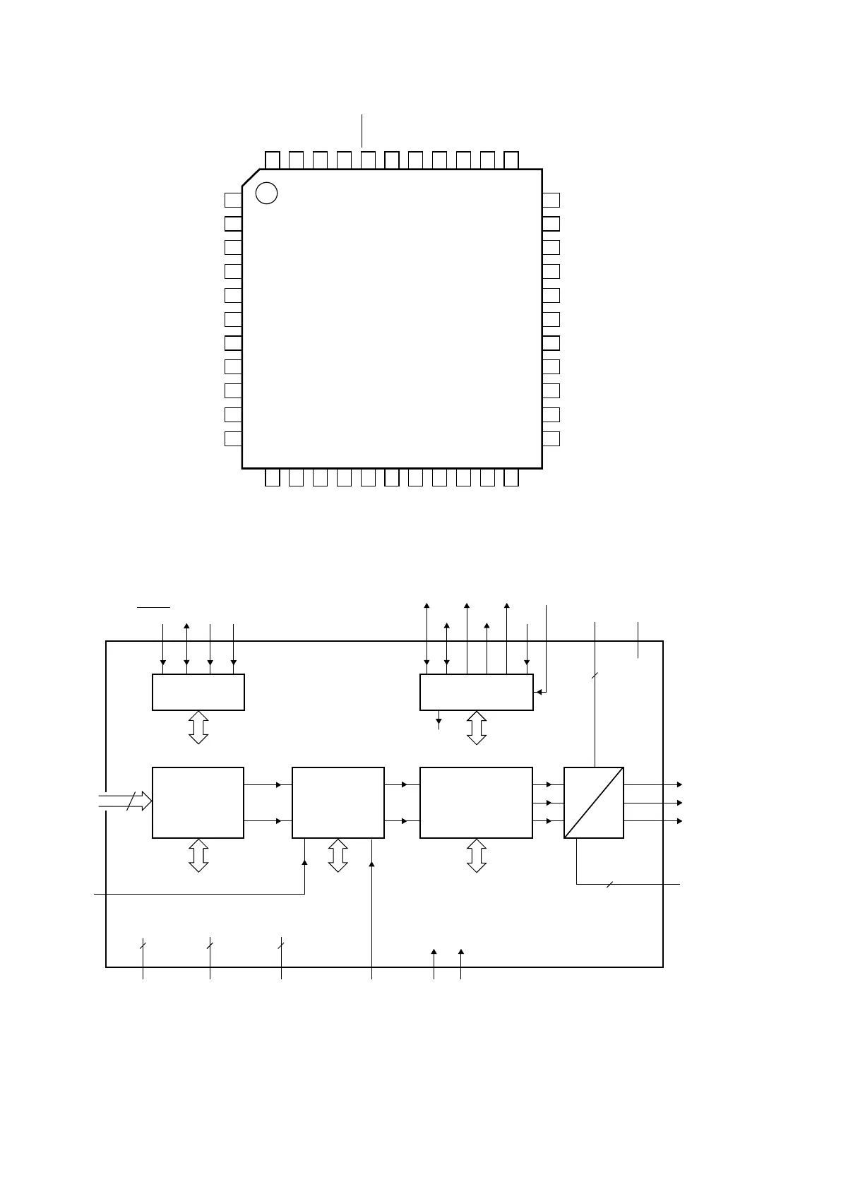
SAA7121 (HDMI : IC323)
SAA7121 Block Diagram
SAA7120
SAA7121
MBH790
1res.
SP
AP
LLC
V
DDD1
V
SSD1
RCV1
RCV2
MP7
MP6
MP5
MP4
MP3
MP2
MP1
MP0
V
DDD2
V
SSD2
RTCI
res.
SA
res.
2
3
4
5
6
7
8
9
10
11
33
V
SSA2
V
SSA1
V
DDA3
V
DDA2
V
DDA1
Y
C
CVBS
res.
res.
res.
32
31
30
29
28
27
26
25
24
23
12
13
14
15
16
17
18
19
20
21
22
44 TTX
TTXRQ
SDA
SCL
XCLK
XTALI
XTALO
V
DDD3
V
DDA4
V
SSD3
RESET
43
42
41
40
39
38
37
36
35
34
handbook, full pagewidth
I
2
C-BUS
INTERFACE
DATA
MANAGER
ENCODER
SYNC
CLOCK
OUTPUT
INTERFACE
D
A
40 42 41 21
7
368 43 37 34
35 4
25, 28,
31
MP7
to
MP0
TTX
5, 18, 38
6, 17, 39
1, 20, 22,
23, 26, 29
219 3
30
27
24
32, 33
RESET SDA SCL
RCV1
RCV2
TTXRQ
XCLK
XTALO
XTALI
LLC
V
DDA4
V
SSA1
V
SSA2
SA
CVBS
Y
C
I
2
C-bus
control
I
2
C-bus
control
I
2
C-bus
control
I
2
C-bus
control
I
2
C-bus
control
V
SSD1,
V
SSD2
,
V
SSD3
V
DDD1,
V
DDD2
,
V
DDD3
V
DDA1,
V
DDA2
,
V
DDA3
res.
SPRTCI AP
clock
and timing
Y
Y
C
CbCr
44
9 to 16
MBH787
SAA7120
SAA7121

Table of Contents

Other manuals for Marantz AV7701

Related product manuals