EasyManua.ls Logo

Marantz AV7701 - Page 208

Marantz AV7701
266 pages
Print Icon
To Next Page IconTo Next Page
To Next Page IconTo Next Page
To Previous Page IconTo Previous Page
To Previous Page IconTo Previous Page
Loading...
208
NJW1194A (AUDIO : IC484,IC489)
NJW1194
 
2-CHANNEL ELECTRONIC VOLUME
WITH INPUT SELECTOR AND TONE CONTROL
GENERAL DESCRIPTION
PACKAGE OUTLINE
       
      
       

      
        

      

FEATURES

      
   

 
   

 
 

  
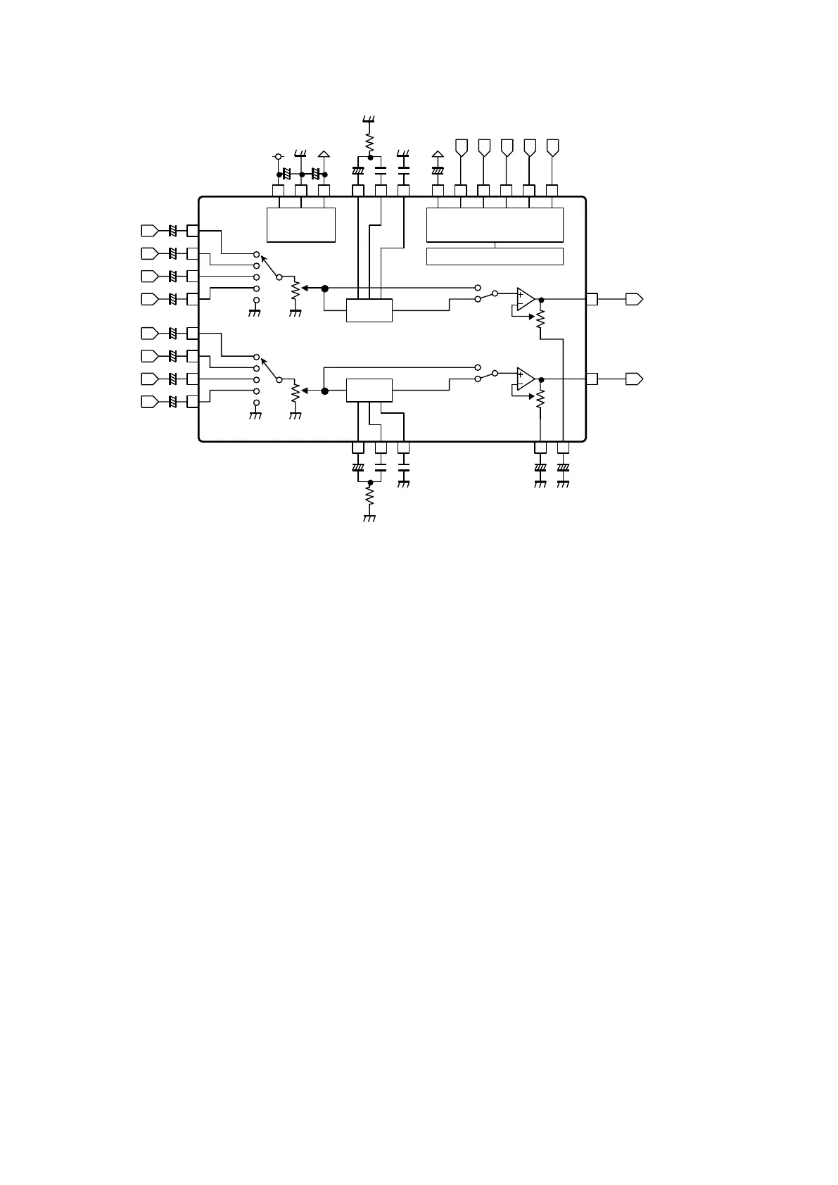
BLOCK DIAGRAM
NJW1194V

 
 





 
 
 
 
 







  
 
 


Table of Contents

Other manuals for Marantz AV7701

Related product manuals