EasyManua.ls Logo

Mastervolt COMBIMASTER 12/3000-160 - Connection Examples (1500-3000 W)

Mastervolt COMBIMASTER 12/3000-160
64 pages
Print Icon
To Next Page IconTo Next Page
To Next Page IconTo Next Page
To Previous Page IconTo Previous Page
To Previous Page IconTo Previous Page
Loading...
CombiMaster 120V Series
User and Installation Manual
13
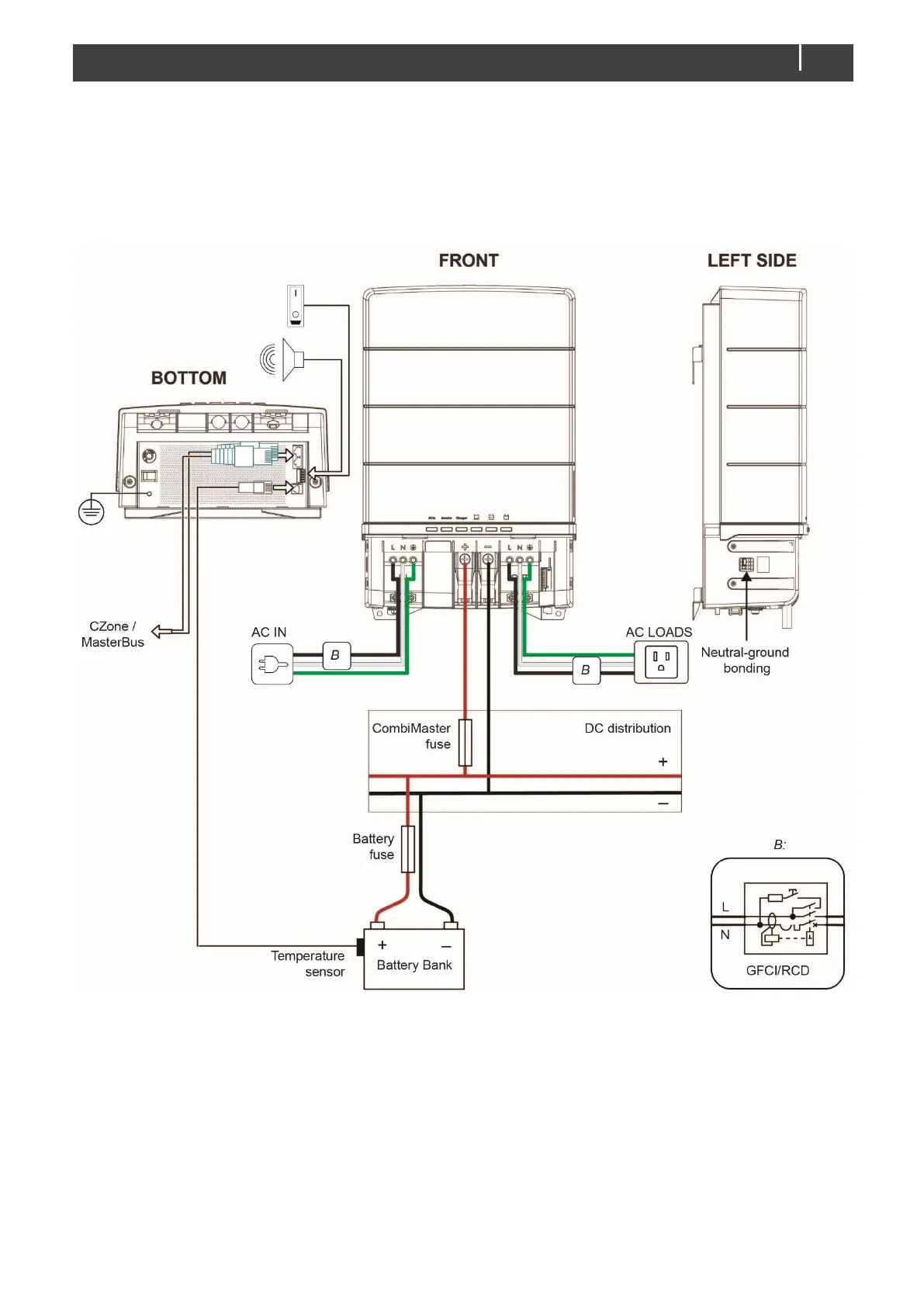
4.4 Connection examples
These schematics illustrate the general placement of a standalone CombiMaster Inverter/Charger in a
circuit. It is not meant to provide detailed wiring instructions for any particular electrical installation. For
information on multi-unit configurations, see chapter 7.
4.4.1 Models 1500W, 2000W, 3000W
Figure 4: Installation drawing for models with product code: 35511500, 35512000, 35513000,
35522000, 35523000

Table of Contents

Related product manuals