EasyManua.ls Logo

Matrox Solios eV-CL - Page 9

Matrox Solios eV-CL
120 pages
Print Icon
To Next Page IconTo Next Page
To Next Page IconTo Next Page
To Previous Page IconTo Previous Page
To Previous Page IconTo Previous Page
Loading...
Matrox Solios eV-CL boards 9
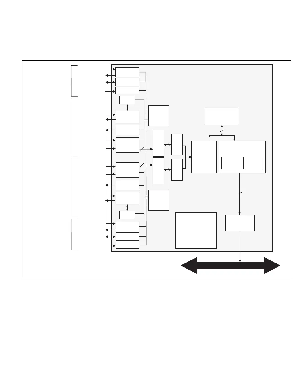
The following flow diagram shows Matrox Solios eV-CLB in dual-Base
configuration.
PSG #0
PSG #1
Camera Link
Connector 0
(mini HDR-26)
ChannelLink
Receiver #1
Clock
Data (24)
& Syncs (4)*
SerTFG
SerTC
SerTFG
SerTC
Camera Link
connector 1
(mini HDR-26)
24
UART
UART
LVDS
transceivers
OptoAux (2)
External Auxiliary
I/O connector 0
(DBHD-15)
External Auxiliary
I/O connector 1
(DBHD-15 or DB-9)**
TTL buffers
Aux In (2)
Aux Out (1)
Optocoupler
Aux I/Os (3)
LVDS
transceivers
OptoAux (2)
TTL buffers
Aux In (2)
Aux Out (1)
Optocoupler
Aux I/Os (3)
ChannelLink
Receiver #2
Clock
Data (24)
& Syncs (4)*
24
LUTs
LUTs
32
32
Cam Ctrl (4)
Cam Ctrl (4)
LVDS
drivers
LVDS
drivers
LVDS driver
& receiver
LVDS driver
& receiver
32 DDR2
(up to 1.73 GB/s)
64
(up to 860 MB/s)
PCI-X to PCIe
Bridge
Host PCIe bus
Demultiplexer
Demultiplexer
Matrox Solios eV-CLB
dual-Base configuration
Acquisition
memory
(128/256/512 MB)
On a separate bracket.
28 bits serialized across 4 LVDS pairs.*
**
x4 PCIe
(Up to 1 GB/s)
Acquisition
Controller
MIL license
fingerprint
and
Supplemental MIL
license storage
Video
Formatter
Color space
Converter
Bayer
converter

Table of Contents

Related product manuals