EasyManua.ls Logo

McQuay RCS - Speedtrol (NA Unit Sizes 015 C - 030 C)

McQuay RCS
100 pages
Print Icon
To Next Page IconTo Next Page
To Next Page IconTo Next Page
To Previous Page IconTo Previous Page
To Previous Page IconTo Previous Page
Loading...
Page 64 IM-738
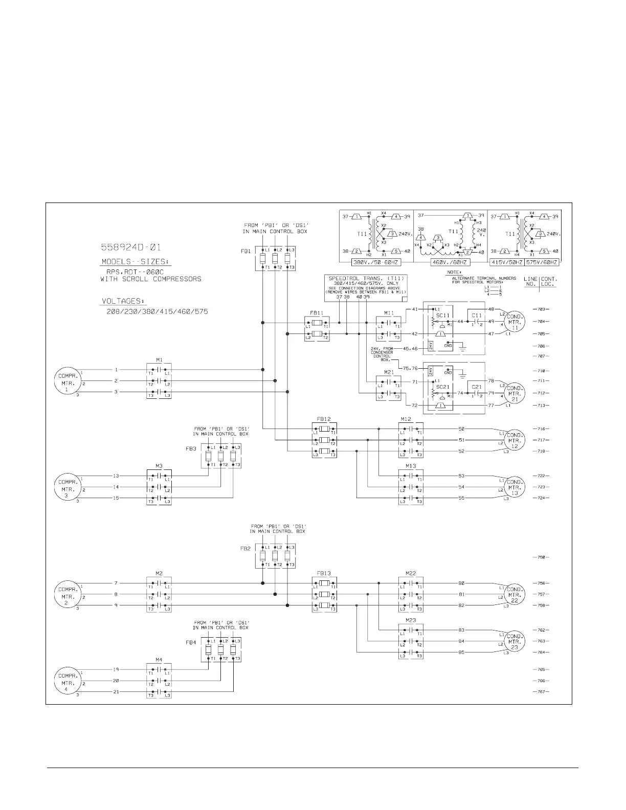
SpeedTrol (NA Unit Sizes 015C - 030C)
McQuay's SpeedTrol system of head pressure control oper-
ates in conjunction with FanTrol by modulating the motor
speed of the last condenser fan of each refrigeration circuit in
response to condenser pressure. By varying the speed of the
last condenser fan of each refrigeration circuit, the SpeedTrol
option allows mechanical cooling operation in ambient tem-
peratures down to 0°F (-18°C). SpeedTrol controllers SC11
and SC21 sense refrigerant head pressure and vary the fan
speed accordingly. When the pressure rises, SpeedTrol
increases the fan speed; when the pressure falls, SpeedTrol
decreases the fan speed. The SpeedTrol controller's throttling
range is 170 to 230 psig (1172-1586 kPa) fixed.
The SpeedTrol fan motor is a single phase, 208/240 volt,
thermally protected motor specially designed for variable
speed application. Units with 460 volt power have a trans-
former mounted inside the condenser fan compartment to
step the voltage down to 230 volts for the SpeedTrol motor. A
portion of a typical SpeedTrol power circuit schematic is
shown in Figure 68.
Figure 68. SpeedTrol Schematic

Table of Contents

Related product manuals