EasyManua.ls Logo

Metos 40E - Page 53

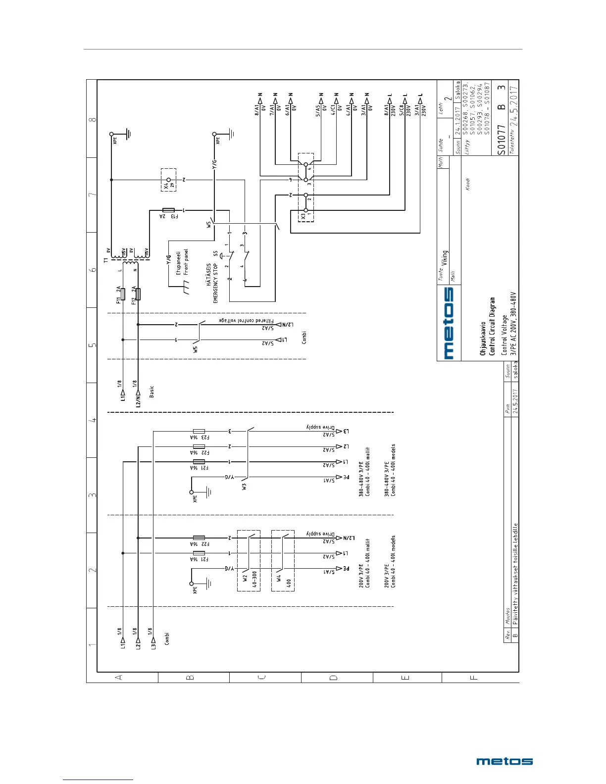
Metos 40E
72 pages
Print Icon
To Next Page IconTo Next Page
To Next Page IconTo Next Page
To Previous Page IconTo Previous Page
To Previous Page IconTo Previous Page
Loading...
|
53
VIKING / VIKING COMBI
Rev. 2.0 (1.8.2017)
Technical specifi cations

Table of Contents

Related product manuals