EasyManua.ls Logo

Miller Millermatic 252 - Electrical Diagram

Miller Millermatic 252
56 pages
Print Icon
To Next Page IconTo Next Page
To Next Page IconTo Next Page
To Previous Page IconTo Previous Page
To Previous Page IconTo Previous Page
Loading...
OM-230693 Page 36
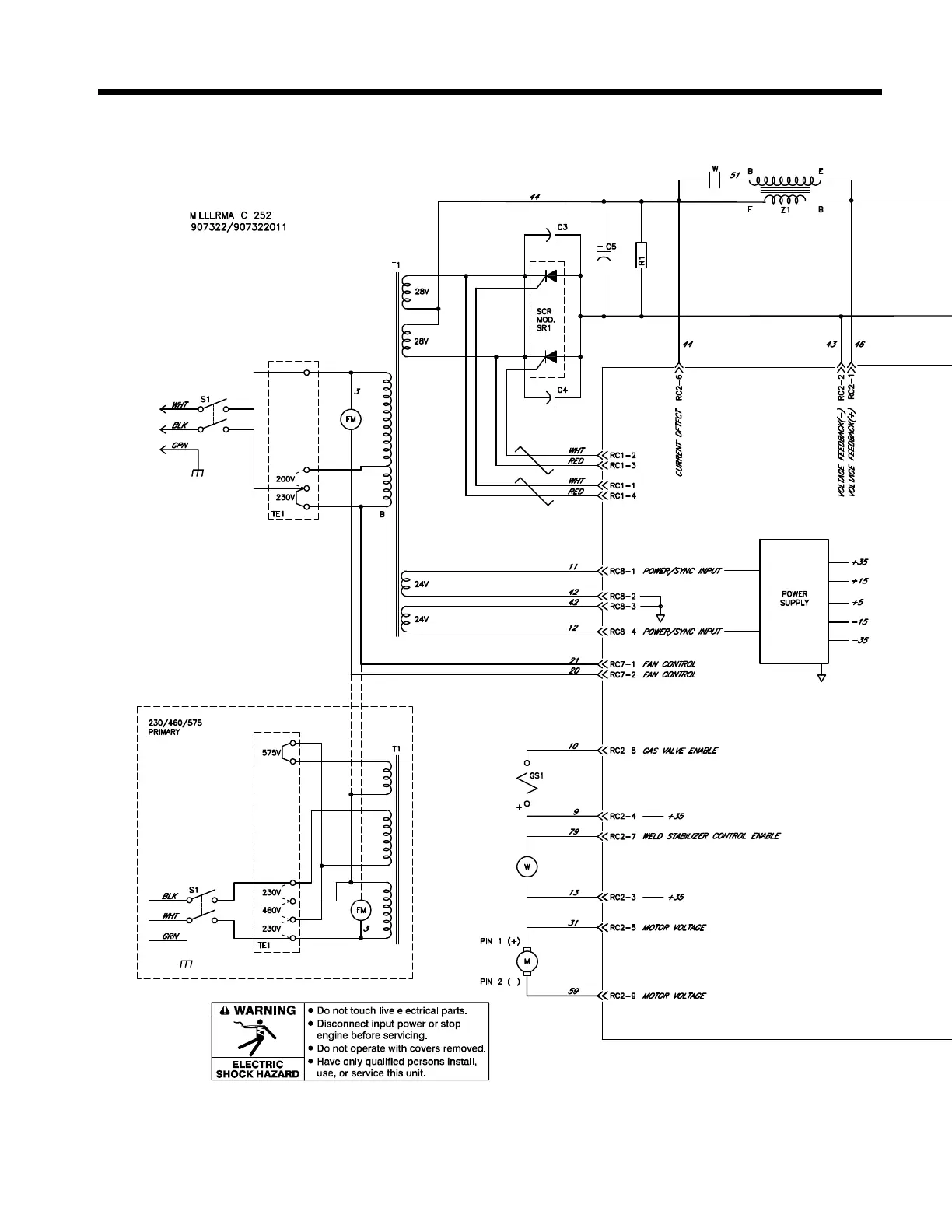
SECTION 8 ELECTRICAL DIAGRAM
Figure 8-1. Circuit Diagram For 230/460/575 Volt Model

Table of Contents

Related product manuals