EasyManua.ls Logo

Millipore RIOS 3 - Chematic of Ain Omponents; Operating Principle

Millipore RIOS 3
43 pages
Print Icon
To Next Page IconTo Next Page
To Next Page IconTo Next Page
To Previous Page IconTo Previous Page
To Previous Page IconTo Previous Page
Loading...
PRODUCT INFORMATION
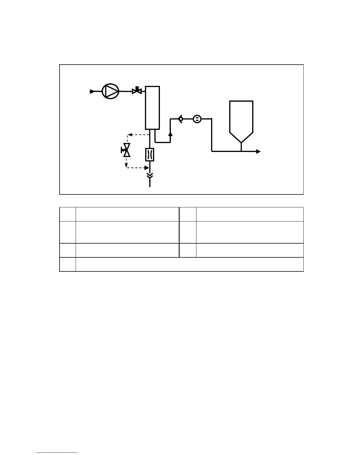
2-3 SCHEMATIC OF MAIN COMPONENTS
5
1
3
4
6
7
2
1 Booster Pump 5 RO Reject Capillary
2 Inlet Solenoid Valve 6
Check Valve and RO Permeate
Conductivity Cell
3 SmartPak RO 7 6 Litre Tank
4 RO Reject Solenoid Valve
2-4 OPERATING PRINCIPLE
Potable tap water enters the SmartPak RO through the Booster Pump. The SmartPak RO (called ‘SmartPak’
for the remainder of this manual) combines Pretreatment and Reverse Osmosis (RO) purification
technology. The SmartPak is a consumable device that needs to be periodically replaced during the
maintenance of the system.
Tap water is pretreated to protect the RO membrane from organic fouling and chlorine oxidation. The RO
membrane has 2 exiting streams. The ions, particles, organic molecules and bacteria rejected by the RO
membrane are sent to the drain via the Reject tubing. The RO product water is stored in the tank for
general rinsing applications, or it can be used to feed an ultrapure water purification system such as a
Milli-Q.
- 4 -

Table of Contents

Related product manuals