EasyManua.ls Logo

MiTAC E-8590 - Page 234

Default Icon
252 pages
Print Icon
To Next Page IconTo Next Page
To Next Page IconTo Next Page
To Previous Page IconTo Previous Page
To Previous Page IconTo Previous Page
Loading...
5
5
4
4
3
3
2
2
1
1
D D
C C
B B
A A
see spec p18
(BYPOSC)
CLOSE TO PIN
Capacator must close to power pin
INTERNAL PULL LOW
M
AC-Link
MDC JUMP WIRE CONNECTOR
C
D
P/N:291000023008
ACES 88020-30
PCB-316674300001 / ASSY- 411674300003
R0A
E-NOTE_ID2
C
18 28Wednesday, October 09, 2002
Title
Size
Document
Number
Rev
Date: Sheet
of
DUPLX
LAN_DATAIO_2
SPEED
LAN_MRXDV_2
LAN_DATAIO_2
LAN_MRXC_2
LAN_COL_2
LAN_MTXC_2
LAN_MTXD3_2
DUPLX
LAN_MTXD1_2
LAN_MRXDV_2
TEST#
LAN_MTXEN_2
LAN_MTXD2_2
LAN_MRXER_2
LAN_TX+
LANPHY_RESET#
SPEED
LAN_RX+
LAN_RX-
LAN_DCLK_2
ANEG
LAN_OSCIN_2
LAN_MTXD0_2
LAN_CRS_2
LAN_OSCOUT_2
LAN_TX-
ANEG
TEST#
LAN_MRXD2_2
LAN_MRXD3_2
LAN_MRXD0_2
LAN_MRXD1_2
LANPHY_RESET#
LAN_MTXER_2
AC97_SDIN1
LAN_OSCIN_2
LAN_OSCOUT_2
AC97_BITCLK
AC97_SYNC
AC97_REST
AC97_SDOUT
GND
GND
GND
GND
GNDPLL
GNDPLL
+3VDUAL
+3VDUAL
+3VDUAL
+3VDUAL
+3VDUAL
+VDD3
GND
+VDD3
GNDGND
+VDD3
+3VS
GND
GND
+3VDUAL
+5VS
GND
+3VS
GND
GNDGND
GND
GND
+3VDUAL
R135 4.7K 0603D
1 2
J15 SHORT-SMT4
JP_SMT4_DFS
1 2
U22E
74AHC14_V
TSSOP14
11 10
147
R381
100K
0603D
12
J16
FM/0.8MM/H5
1
3
5
7
9
11
13
15
17
19
21
23
25
27
29
2
4
6
8
10
12
14
16
18
20
22
24
26
28
30
MTG1
MTG2
RP65
22*4
RPSOA_8C
1
2
3
4
8
7
6
5
R188
4.7K/NA
0603D
12
R134 6.19K 1% 0603D
1 2
C229
0.1U
16V
0603D
12
L15
120Z/100M
0805C
1 2
R190 0603D22
1 2
C173
0.1U
16V
0603D
12
R191 0 0603D
1 2
R108
0
0805
1 2
R187
4.7K/NA
0603D
12
R297
4.7K
0603D
12
X2
25MHZ
1 2
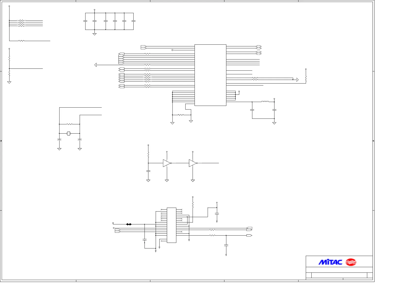
U11
VT6103
SSOP48
1
2
9
25
26
27
28
29
45
46
48
37
30
34
3
4
5
6
10
11
14
15
16
17
18
19
20
21
22
41
40
33
32
8
12
23
44
35
43
39
36
7
24
13
47
31
42
38
MDIO
MDC
BYPOSC/RXDV
INT#/PHYAD0
LED0
LED1/SPD100
LED2/DUPLEX
LED3/NWAYEN
XO
XI
RESET#
REXT
PD#
SD/FXEN
PHYAD1/RXD3
PHYAD2/RXD2
PHYAD3/RXD1
PHYAD4/RXD0
RXC
ISO/RXER
TXER
TXC
TXEN
TXD0
TXD1
TXD2
TXD3
SYMB/COL
RPTR/CRS
TX+
TX-
RX+
RX-
GND0
GND1
GND2
GNDOSC
GNDRX
GNDTX
GNDTXC
GNDPLL
VDD0
VDD1
VCC
VCCOSC
VCCRX
VCCTX
VCCPLL
C310
1U
0603D
12
R175 22 0603D
1 2
C175
0.1U
16V
0603D
12
R176 22 0603D
1 2
R296 22
0603D
1 2
C169
27P
0603D
12
R189 22 0603D
1 2
RP47
4.7K*4
RPSOA_8C
1
2
3
4
8
7
6
5
R156
1.5K
0603D
1 2
C174
0.1U
50V
0603D
12
C172
0.1U
16V
0603D
12
C231
0.1U
16V
0603D
12
C230
0.1U
16V
0603D
12
R137
1M/NA 0603D
1 2
R295 0
0603D
1 2
C334
10P/NA
0603D
12
C335
1U
0603D
12
R184 0603D22
1 2
R174 0603D22
1 2
C377
1U
0603
12
TP27
1
C158
0.1U
50V
0603D
12
C168
27P
0603D
12
R423
10K
0603
12
U22F
74AHC14_V
TSSOP14
13 12
147
LAN_DATAIO(11)
LAN_MRXER(11)
LAN_MRXD3(11)
LAN_DCLK(11)
LAN_MRXDV(11)
LAN_MRXC(11)
LAN_MTXD1(11)
LAN_MTXC(11)
LAN_MTXE(11)
LAN_MTXD2(11)
LAN_CRS(11)
LAN_MRXD1(11)
LAN_MTXD0(11)
LAN_MRXD0(11)
LAN_COL(11)
LAN_MTXD3(11)
LAN_MRXD2(11)
LAN_TX+ (14)
LAN_RX- (14)
LAN_RX+ (14)
LAN_TX- (14)
AC97_SDOUT(9,19)
AC97_SDIN1 (9)
AC97_SYNC (9,19)
AC97_REST(9,19)
AC97_BITCLK (9,19)

Related product manuals