EasyManua.ls Logo

MiTAC E-8590 - Page 235

Default Icon
252 pages
Print Icon
To Next Page IconTo Next Page
To Next Page IconTo Next Page
To Previous Page IconTo Previous Page
To Previous Page IconTo Previous Page
Loading...
5
5
4
4
3
3
2
2
1
1
D D
C C
B B
A A
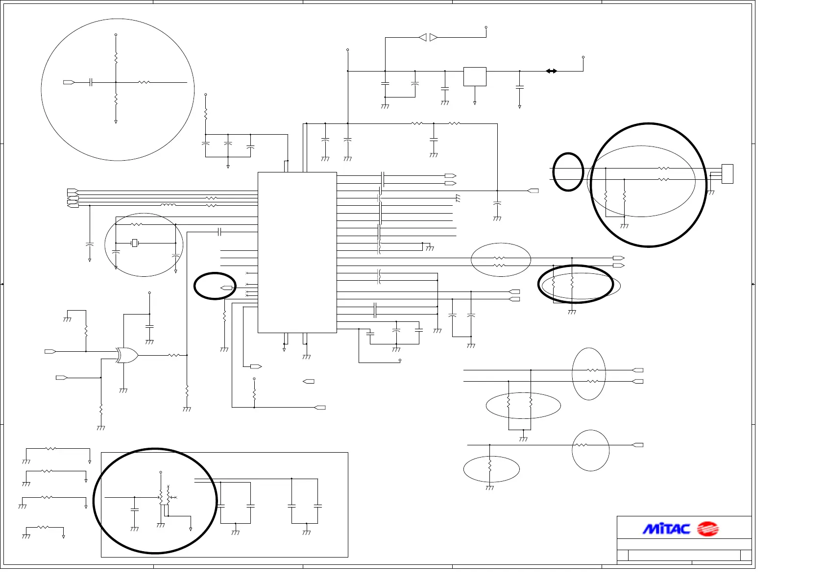
AC'97 CODEC
choose one from internal or extrnal
NOTE
CODEC OPTION
(VRAD)
(VRDA)
(DCVOC)
(VAUX)
(GPIO1)
(GPIO0)
ID1 ID0
X X
0 X
0 0
24.576MHZ
14.318MHZ
48MHZ
pin 43~47 Internal pull h i 50k
CHANGE PART
PVT
PVT
PVT
PVT
PCB-316674300001 / ASSY- 411674300003
R0A
E-NOTE_ID2
C
19 28Wednesday, October 09, 2002
Title
Size
Document
Number
Rev
Date: Sheet
of
CD_GND
AVDD
CDROM_L
AC97_BITCLK CDROM_R
FLT3D
AC97_SDOUT
CODEC_XIN
AC97_REST
CODEC_XOUT
BPCFG
BPCFG
DCVOC
FLT3D
AC97_SDIN0
AC97_SYNC
CARDSPK#
LINE_INL
LINE_INR
CD_GND
HP_R
HP_L
CODEC_XIN
CDROM_R
CDROM_L
MICVREF
AOUT_L
AOUT_R
VIDEO_INL
VIDEO_INR
VIDEO_INL
VIDEO_INR
DEVICE_DECT#
DCVOC
VA
+3VS
GND
GND
GND
GND
+12VS
+5VS
GND
GND
GND
GND
VA
GND
GND
+5VS
+3VS
GND
+MICVREF
GND
GND
VA
C264 0.1U 0603D
1 2
R211 22
0603D
1 2
C212
0.1U
0603D
12
C205 0.1U 0603D
1 2
C227 1U 0603D
12
R420
68K
0603
12
R172 0 0603D
1 2
C277
22P/NA
0603D
12
R416
47K/NA
0603D
12
C233
10U
1206
12
C263
0.1U
0603D
12
C207 1U 0603D
1 2
R3
0/NA
0805C
1 2
R183
10K
0603D
12
C235
0.1U/NA
0603D
12
C198 1000P 0603D
1 2
C197 1000P 0603D
1 2
C248 1U 0603D
12
C242 1U 0603D
12
R418 47K 0603D
1 2
JO2
OPEN-SMT4
JP_SMT4
1 2
J13
MA/4PX1/ST
ACES
86807-04XX
1
2
3
4U15
ALC202
PQFP48_0.5MM
19
2
3
12
24
23
20
18
17
16
15
14
13
37
39
41
34
1
9
25
38
4
7
26
42
21
22
35
36
31
32
33
11
5
8
10
6
27
28
29
30
40
43
44
45
46
47
48
CD/GND
XTL/IN
XTL/OUT
PC_BEEP
LINE/IN/R
LINE/IN/L
CD/R
CD/L
VIDEO/R
VIDEO/L
AUX/R
AUX/L
PHONE
MONO_OUT
ALT_LINE_OUT_L
ALT_LINE_OUT_R
VAUX
DVDD1
DVDD2
AVDD1
AVDD2
DVSS1
DVSS2
AVSS1
AVSS2
MIC1
MIC2
LINE/OUT/L
LINE/OUT/R
VRAD
VRDA
DCVOC
RESET#
SDATA/OUT
SDATA/IN
SYNC
BIT/CLK
REFFLT
VREFOUT
AFLT1
AFLT2
NC1
GPIO0
GPIO1
ID0#
ID1#
EAPD
S/PDIF_OUT
R186 0 0603D
1 2
R221
10K
0603D
12
C281
22P/NA
0603D
12
JP1
SHORT-SMT4
JP_SMT4_DFS
1 2
C280 0.1U
50V
0603D
12
C262
1U
0603D
12
R4
0
0805C
1 2
R167
2.2K/NA
0603D
1 2
C199
0.1U
0603D
12
C259 1U 0603D
1 2
X3
24.576MHZ/NA
1 2
C191
0.1U
0603D
12
R212 22
0603D
1 2
C188
1U
0603D
12
R220
10K
0603D
12
R1
0
0805C
1 2
R414 22K 0603D
1 2
R198
0
0603D
12
C182
4.7U/NA
+80-20%
0805C
12
C228
100P
0603D
12
C181
4.7U/NA
+80-20%
0805C
12
R213
10K
0603D
12
R214
33K
0603D
1 2
R171
1.5K/NA
0603D
1 2
C217
1U/NA
0603D
12
C288
0.01U
0603D
1 2
R2
0
0805C
1 2
C279
0.1U
0603D
12
R413 22K 0603D
1 2
VR2
10K/NA
1
2
3
5
6
7
8
C226
0.1U/NA
0603D
12
VCC
GND
U17
AHCT1G86DBV
SOT25
1
2
53
4
C241 1U 0603D
12
R185
33K/NA
5%
0603D
1 2
C265 0.1U 0603D
1 2
R180
33K/NA
5%
0603D
1 2
C10
4.7U/NA
0805
+80-20%
12
C206 1U 0603D
1 2
R218
10K
0603D
12
R417 47K 0603D
1 2
U16
L78L05ACU
SOT89N
31
2
IO
GND
R181
0
0603D
1 2
C213
0.1U
0603D
12
R216
0
0603D
1 2
C190
1U
0603D
12
C189
1U
0603D
12
C289
4.7U
1206
12
C187
2.2U
+80-20%
0805C
12
C246
0.01U
0603D
1 2
C286
22P/NA
0603D
12
C216 0.1U 0603D
1 2
C282
0.1U
50V
0603D
12
C258 0.1U 0603D
1 2
R419
68K
0603
12
R415
47K/NA
0603D
12
R210
1M/NA 0603D
1 2
L21
BEAD_600Z/100M
0603D
1 2
R217
10K
0603D
12
L22
0
0805C
1 2
C247 1U 0603D
1 2
R197
10K/NA
0603D
12
AC97_BITCLK(9,18)
AC97_SDIN0(9)
AC97_REST(9,18)
AC97_SDOUT(9,18)
AC97_SYNC(9,18)
CARDSPK#(13)
SB_SPKR(9,11)
SPDIFOUT (14)
DEVICE_DECT# (14)
MICIN (14)
LINE_INR (14)
LINE_INL (14)
CDROM_GND (21)
HP_L (14)
HP_R (14)
14M_CODEC(17)
CDROM_LEFT (21)
CDROM_RIGHT (21)
AOUT_L (20)
AOUT_R (20)
SPKR_MUTE#
SPKR_MUTE(20)

Related product manuals