EasyManua.ls Logo

MiTAC E-8590 - Page 236

Default Icon
252 pages
Print Icon
To Next Page IconTo Next Page
To Next Page IconTo Next Page
To Previous Page IconTo Previous Page
To Previous Page IconTo Previous Page
Loading...
5
5
4
4
3
3
2
2
1
1
D D
C C
B B
A A
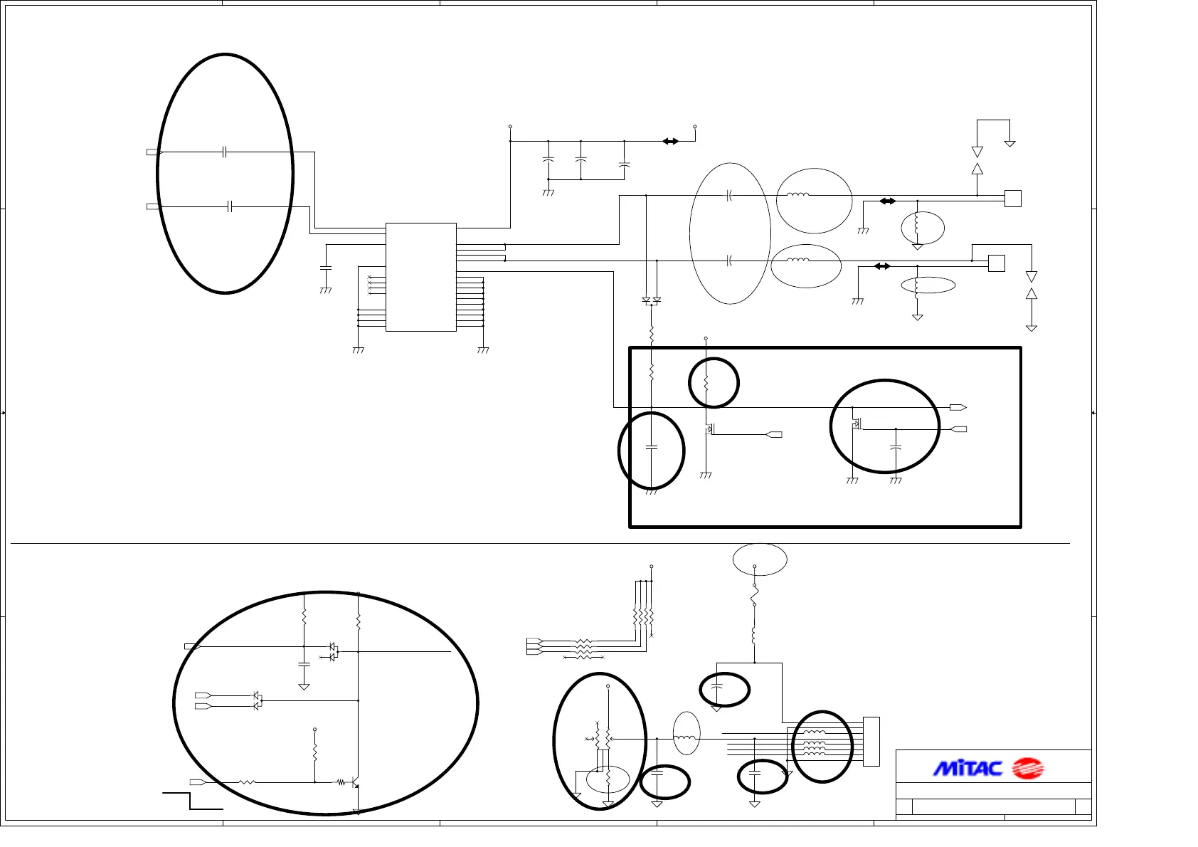
AUDIO AMPLIFIER - TPA1517
INVERTOR
3A
(Block Backlight)
ask power,it is have a 20 voltage
change value
HIGH:MUTE
LOW: ON
debop in shunt down
C20
close connector
connector VR
To Inverter
NEW
NEW
PVT
PVT
PVT
PCB-316674300001 / ASSY- 411674300003
R0A
E-NOTE_ID2
C
20 28Wednesday, October 09, 2002
Title
Size
Document
Number
Rev
Date: Sheet
of
AOUT_R
AOUT_L
LID# IID1
IID2
IID0
IID1
IID2
IID0
SUSB_SPKR
ENABLE_BL
BJADJ
ENABLE_BL
ROUT+
LOUT+
SPKR_MUTE
+12VS
+AMP
+AMP
GND
+VDD3
+5VS
GND
GND
GND GND
+3VS
+3VS
GND
GND
GND
GND
GND
GND
GND
+5VS
+12V_CPU_INV
J7
HDR/MA-2
ACES
87505-0200
1
2
D9
BAT54C
SOT23N
1
2
3
C150
0.039U
0603
1 2
L39
0603D
1 2
L41
0603D
1 2
L44
BEAD_120Z/100M
0805C
1 2
C18
0.1U
50V
0603D
12
C8
0.1U
50V
0603
12
C7
4.7U
16V
1206
12
D1
BAW56
SOT23N
2
1
3
JO12
12
L45
BEAD_120Z/100M
0805C
1 2
JO11
1 2
C20
1U
16V
0805
12
D
S
Q10 2N7002
SOT23_FET
G
DS
C149
0.039U
0603
1 2
R151
10K
0603D
12
C164
0.1U
0603D
12
C1
4.7U
16V
1206
12
R18
10K
0603D
12
L46
BEAD_120Z/100M/NA
0805C
1 2
F1
FUSE-3A
1206
1 2
VR1
10K
1
2
3
5
6
7
8
C165
0.1U
0603D
12
D
S
Q9
2N7002
SOT23_FET
G
DS
R133
20K
0603
12
R145
220
0603
12
JS2
SHORT-SMT4
1 2
L43
0603D
1 2
C9
0.1U
0603D
12
L42
0603D
1 2
R10
0
0603
12
L1
BEAD_120Z/100M
0805C
1 2
D31
BAW56
SOT23N
2
1
3
C163
2.2U
0805
+80-20%
12
L508
BEAD_120Z/100M/NA
0805C
1 2
RP88
10K*4/NA
1206
1
2
3
4
8
7
6
5
L40
BEAD_600Z/100M
0603D
1 2
+
C57
470U
16V
20%
ELC02_1
1 2
JO1
SHORT-SMT4
JP_SMT4_DFS
1 2
J6
HDR/MA-2
ACES
87505-0200
1
2
RP87
0*4
1206
1
2
3
4
8
7
6
5
R148 0 0603D
1 2
R149
0
0603
12
U10
TPA1517
SOL20_TPA1517
2
4
5 7
9
8
16
17
19
1
10
11
20
12
13
14
3
6
15
18
G1
G2
G3
G4G5
G6
G7
G8
IN1
SGND
SVRR OUT1_0
PGND_0
OUT1_1
VCC
M/SB
IN2
GND/HS0
GND/HS1
GND/HS2
GND/HS3
PGND_1
OUT2_0
OUT2_1
NC0
NC1
NC2
NC3
G1
G2
G3
G4G5
G6
G7
G8
R1
Q29
DTC114TKA
2
1 3
+
C69
470U
16V
20%
ELC02_1
1 2
+
C145
100U
16V
CPWX6.6
12
J2
HDR/MA-8
ACES
87505-0800
1
2
3
4
5
6
7
8
JS532
SHORT-SMT4
1 2
R22
5.6K
0603D
12
AOUT_R(19)
AOUT_L(19)
LID#(9)
LCD_ID0(4,6)
LCD_ID1(4,6)
LCD_ID2(4,6)
SPKR_MUTE (19)
SUSB_SPKR (27)
ENVGA(4,6)
EN_BL(4)
EN_BL_SB(10)
PHONE_MUTE (14)

Related product manuals