EasyManua.ls Logo

MiTAC E-8590 - Page 60

Default Icon
252 pages
Print Icon
To Next Page IconTo Next Page
To Next Page IconTo Next Page
To Previous Page IconTo Previous Page
To Previous Page IconTo Previous Page
Loading...
59
LCD PC E
LCD PC E
-
-
8590 MAINTENANCE
8590 MAINTENANCE
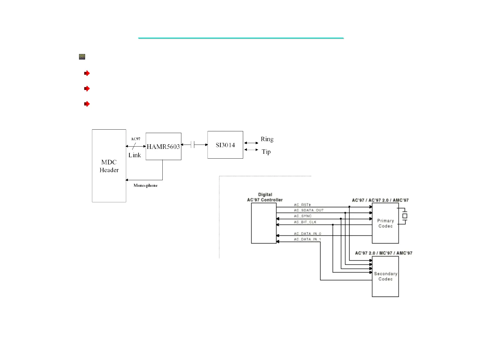
Figure: MDC: Billionton MODEM Daughter Card MDC56S-I
Power Consumption
Operation Power: 26.22mW
Operation Current: 6.9mA – 7.0mA / 3.8V
Standby Current : 6.5mA /3.8V

Related product manuals