EasyManua.ls Logo

Mitel MX-ONE - Page 11

Mitel MX-ONE
49 pages
Print Icon
To Next Page IconTo Next Page
To Next Page IconTo Next Page
To Previous Page IconTo Previous Page
To Previous Page IconTo Previous Page
Loading...
INSTALLING BOARDS AND CABLING
11 21/1531-ASP11301 Uen B3 2016-02-17
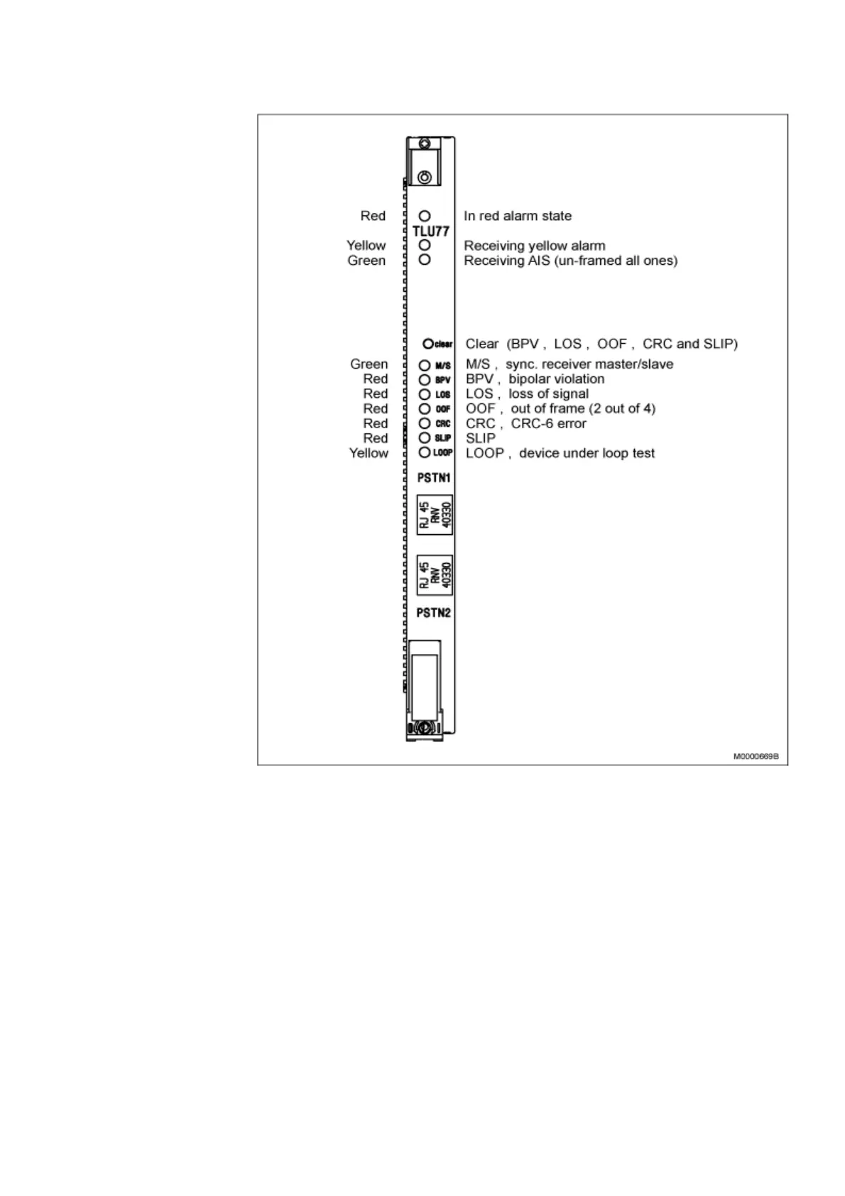
Figure 6: TLU77 Front Connectors and LEDs

Table of Contents

Other manuals for Mitel MX-ONE

Related product manuals