EasyManua.ls Logo

Mobatime DTS 4802.masterclock - H Block Diagram

Default Icon
120 pages
Print Icon
To Next Page IconTo Next Page
To Next Page IconTo Next Page
To Previous Page IconTo Previous Page
To Previous Page IconTo Previous Page
Loading...
© MOBATIME 110 / 120 800652.11
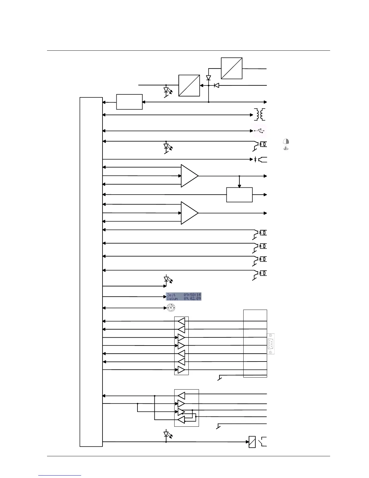
H Block diagram
linux system in flash and ram
microprocessor-system
=
~
Ubat
DCF / pulse out
1
2
8
3
7
6
5
4
RS 232
DCD
RXD
CTS
TXD
RTS
DSR
GND
DTR
RS232 RXD
RS232 TXD
RS485 A
/RS485 B
GND
DCF in
Ethernet
10/100Mbit
USB Host
230VAC
24 VDC (in)
Low voltage
detection
power
24 VDC (out)
Ulogic
alarm
Alarm 1 in
Alarm 2 in
Alarm 3 in
Alarm 4 in
=
=
DCF in
sync
RTC
IF 488
(optional)
IRIG
(only DTS 4801)
IRIG Alarm
MOBALine /
Impulse line 1
Signal
Current
Alarm
Terminal
Alarm
RS485
clock line
(only DTS 4801
)
RS232
telegram
MOBALine /
Impulse line 2
(only DTS 4802
)
Signal
Current
Alarm

Table of Contents

Other manuals for Mobatime DTS 4802.masterclock

Related product manuals