EasyManua.ls Logo

ModWeigh MW93A - Connection Diagram - MP2

Default Icon
59 pages
Print Icon
To Next Page IconTo Next Page
To Next Page IconTo Next Page
To Previous Page IconTo Previous Page
To Previous Page IconTo Previous Page
Loading...
EMC INDUSTRIAL GROUP LTD Connections
MW93A_IM_ALL_SV6.09f_en 15/59
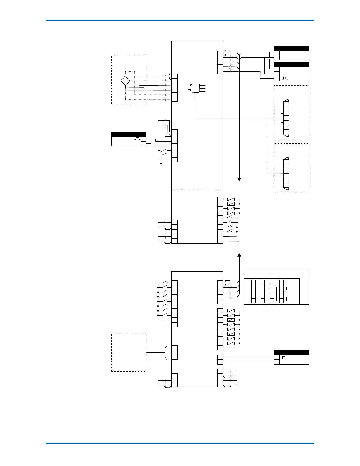
Connection Diagram – MP2
D
1
D
2
D
3
D
4
D
5
Analog
+AO2
AO2
+VAI2
+mAAI2
AI2
pulse output
material feed
run motor
healthy
hold control
acquire zero
run
reset total
MP2
2
3
4
5
6
7
8
2
3
4
6
7
20
RXD
DSR
SG
DTR
CTS
RTS
RXD
TXD
CTS
DSR
SG
DTR
P1
P2
P3
P4
P5
P6
RTS
TXD
0V
0V
RXD
CTS
RJ12
Loadcell
Power/COM2
+EX
EX/0V
+
SIG
SIG
+
SEN
SEN
24V
0V
COM1
MAC
MAP
DB25M
t
o
Printer
remote setpoint input
weight
speed demand
LOADCELL
(s)
optional sense for 6 wire
connection
BELT SPEED TACHO
+
0
V
output
B
1
B
2
B
3
B
4
B
5
B
6
I/O
+AO1
AO1
+/~ OUT0
/~ OUT0
OUT9
IN9
B7
0V
C
1
C
2
C
3
C
4
C
5
C
6
C
7
C
8
C
9
Digital
I/O
OUT1
OUT2
OUT3
OUT4
{MT1}
IN1
IN2
IN3
IN4
24V
C10
0V
TOTALISER
input
0
V
flowrate
POWER SUPPLY
+24V
0
V
A1
A
2
run motor
acquire zero
MO3 OPTION
24V
TOTALISER
input
0V
I1
I2
I3
I4
I5
I6
I7
I8
I9
I10
H1
H2
H3
V1
V2
V3
K1
K2
K3
K4
K5
O1
O2
O3
O4
O5
O6
O7
O8
O9
U1
U2
M1
M2
M3
M4
Digital Inputs
Power/COM2
Digital Outputs
Pulse Output
Analog Outputs
COM3
Analog Input 2
IN1
IN2
IN3
IN4
IN5
IN6
IN7
IN8
24V
0V
24V
0V
+
D
D
ADS
OUT1
OUT2
OUT3
OUT4
{MT1}
OUT5
OUT6
OUT7
OUT8
0V
+mAO2
mAO2
+mAO1
mAO1
+/~ OUT0
/~ OUT0
+D
D
0V
+VI2
+mAI2
AI2
pulse output
material feed
run motor
healthy
weight fault
low flow fault
not filling or discharging
alarm alert
to
PC, PLC
or
ModWeigh Display
MD1,MD2
remote setpoint input
weight
flowrate
speed demand
hold control
acquire zero
run
reset total
print
print total
run
pause
A
3
A
4
A
5
+
D
D
IN0
t
o PC/PLC
TXD
MAD
DB9F
MR1
Address Select ADS
1
2
3
4
5
24V
0V
+
D
D
ADS
1
2
3
4
5
1
2
3
4
5
1
2
3
4
5
R
1k
2k2
4k7
10k
22k
47k
100k
4
5
6
7
8
9
10
1
2
3
Keep all wiring separated
from mains wiring
Use shielded cable where
indicated
Either the RUN input or the
RUN MOTOR output should
be used

Table of Contents

Related product manuals