EasyManua.ls Logo

ModWeigh MW94A - Connection Diagram - MP1

ModWeigh MW94A
53 pages
Print Icon
To Next Page IconTo Next Page
To Next Page IconTo Next Page
To Previous Page IconTo Previous Page
To Previous Page IconTo Previous Page
Loading...
EMC INDUSTRIAL GROUP LTD Connections
MW94A_IM_ALL_SV6.09f_en 13/53
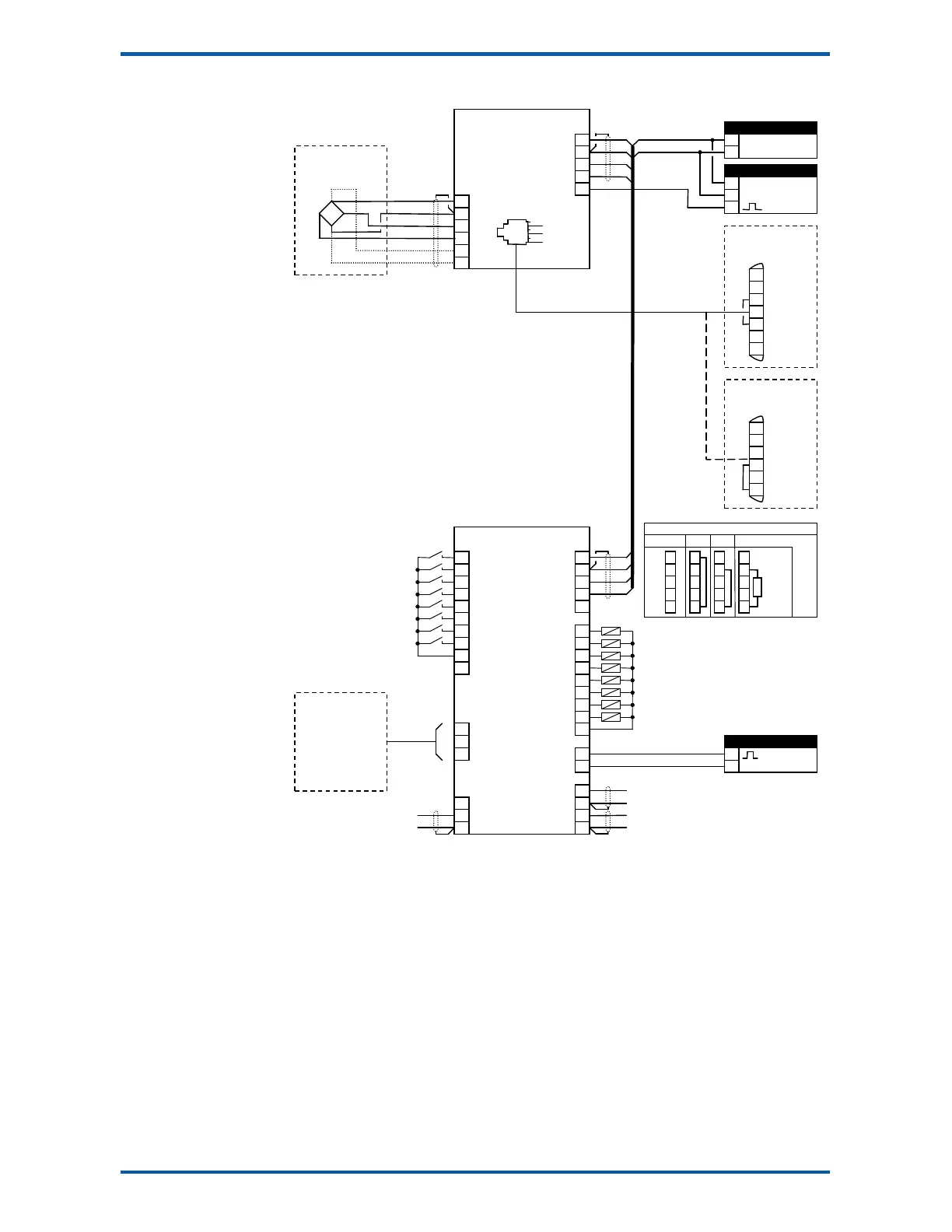
Connection Diagram – MP1
TOTALISER
input
0V
I1
I2
I3
I4
I5
I6
I7
I8
I9
I10
H1
H2
H3
V1
V2
V3
K1
K2
K3
K4
K5
O1
O2
O3
O4
O5
O6
O7
O8
O9
U1
U2
M1
M2
M3
M4
Digital Inputs
Power/COM2
Digital Outputs
Pulse Output
Analog Outputs
COM3
Analog Input 2
IN1
IN2
IN3
IN4
IN5
IN6
IN7
IN8
24V
0V
24V
0V
+
D
D
ADS
OUT1
OUT2
OUT3
OUT4
{MT1}
OUT5
OUT6
OUT7
OUT8
0V
+mAO2
mAO2
+mAO1
mAO1
+/~ OUT0
/~ OUT0
+D
D
0V
+VI2
+mAI2
AI2
pulse output
running
run motor
healthy
weight fault
paused
flowrate enabled
alarm alert
MP1
MR1
2
3
4
6
7
20
RXD
TXD
CTS
DSR
SG
DTR
MAC
MAP
DB25M
t
o
Printer
to
PC, PLC
or
ModWeigh Display
MD1,MD2
weight
flowrate
no function
enable flowrate
run
reset total
print
print total
stop
pause
LOADCELL
(s)
optional sense for 6 wire
connection
Address Select ADS
1
2
3
4
5
24V
0V
+
D
D
ADS
1
2
3
4
5
1
2
3
4
5
1
2
3
4
5
R
1k
2k2
4k7
10k
22k
47k
100k
4
5
6
7
8
9
10
1
2
3
BELT SPEED TACHO
+
0
V
output
POWER SUPPLY
+24V
0
V
TXD
2
3
4
5
6
7
8
RXD
DSR
SG
DTR
CTS
RTS
MAD
DB9F
t
o PC/PLC
P1
P2
P3
P4
P5
P6
A1
A
2
A
3
A
4
A
5
RTS
TXD
0V
0V
RXD
CTS
RJ12
Loadcell
Power/COM2
+EX
EX/0V
+
SIG
SIG
+
SEN
SEN
24V
0V
+
D
D
IN0
COM1
Keep all wiring separated
from mains wiring
Use shielded cable where
indicated
MP1 bus address set with
setting (Q2522).
MR1 bus address set with
ADS pin and must be same
as MP1.
Fit an MAT terminator to
each end of COM2 cable if
length exceeds 50m.

Table of Contents