EasyManua.ls Logo

Monitor GF1800 - Page 15

Default Icon
74 pages
Print Icon
To Next Page IconTo Next Page
To Next Page IconTo Next Page
To Previous Page IconTo Previous Page
To Previous Page IconTo Previous Page
Loading...
10
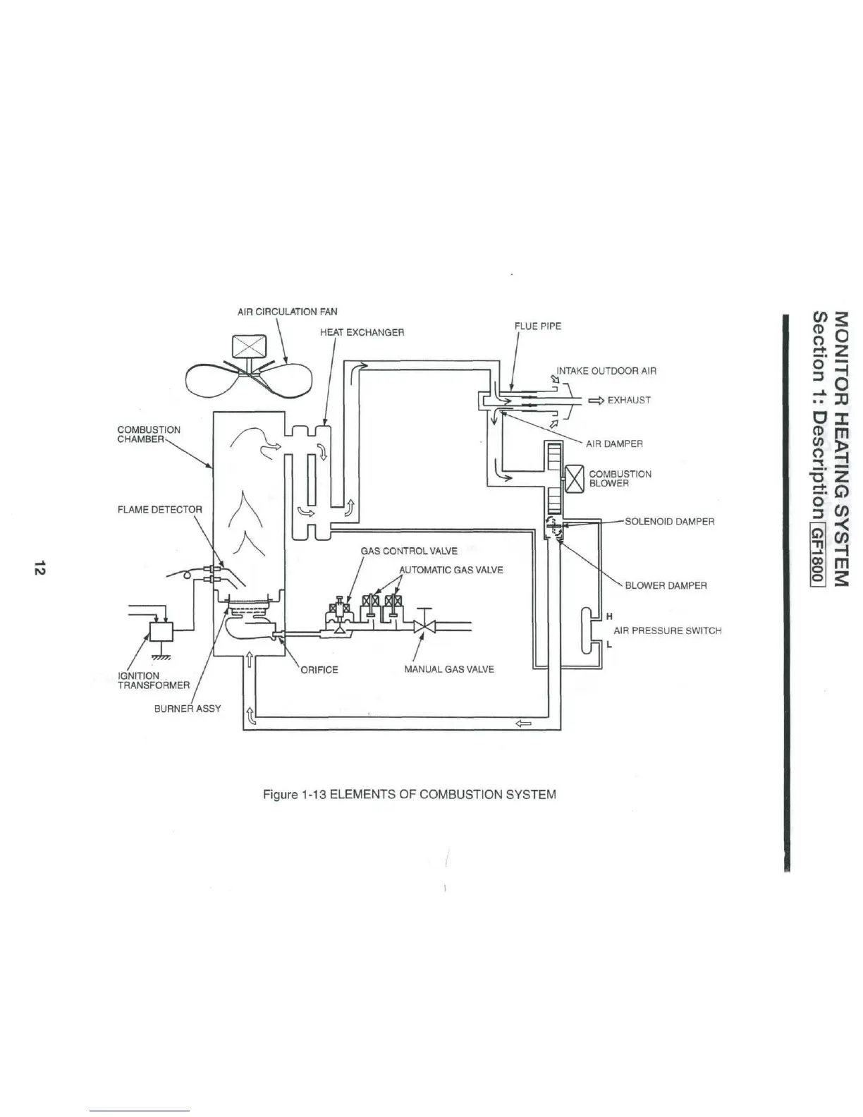
AIR
CIRCULATION
FAN
HEAT EXCHANGER
COMBUSTION
CHAMBER
FLAME DETECTOR
FLUE PIPE
INTAKE
OUTDOOR
AIR
c=t>
EXHAUST
AIR
DAMPER
COMBUSTION
BLOWER
GAS
CONTROL
VALVE
AUTOMATIC
GAS
VALVE
SOLENOID
DAMPER
BLOWER DAMPER
AIR
PRESSURE SWITCH
IGNITION
TRANSFORMER
BURNER ASSY
O
3
^O
»
30
u
z
c/>
»
m
Figure
1-13
ELEMENTS
OF
COMBUSTION SYSTEM

Table of Contents

Related product manuals