EasyManua.ls Logo

Monitor GF1800 - Elements of Combustion System

Default Icon
74 pages
Print Icon
To Next Page IconTo Next Page
To Next Page IconTo Next Page
To Previous Page IconTo Previous Page
To Previous Page IconTo Previous Page
Loading...
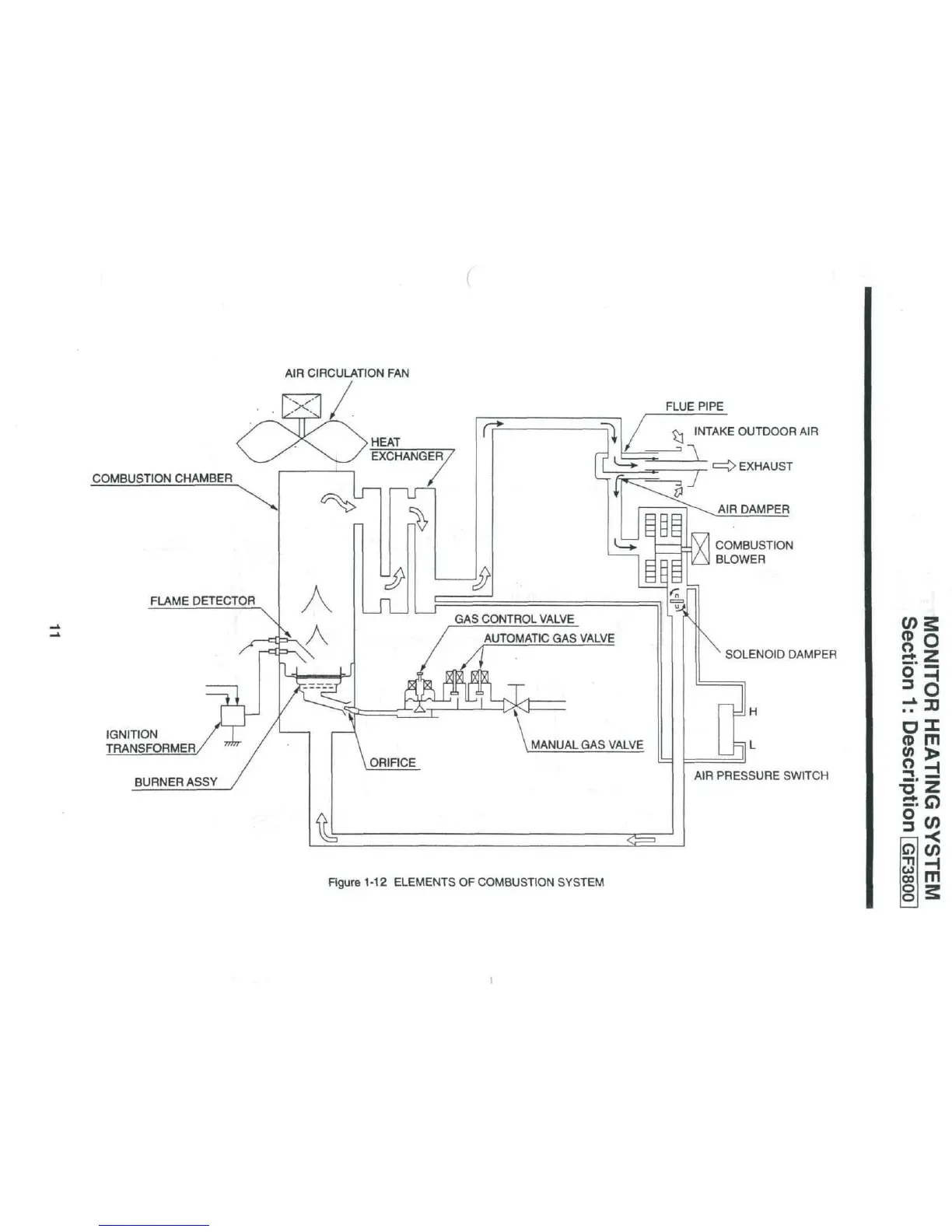
AIR
CIRCULATION
FAN
COMBUSTION CHAMBER
FLAME DETECTOR
IGNITION
/
TRANSFORMER/
BURNER ASSY
FLUE
PIPE
COMBUSTION
BLOWER
GAS
CONTROL
VALVE
AUTOMATIC
GAS
VALVE
INTAKE
OUTDOOR
AIR
t=C>
EXHAUST
AIR
DAMPER
SOLENOID DAMPER
AIR
PRESSURE SWITCH
Figure
1-12
ELEMENTS
OF
COMBUSTION
SYSTEM

Table of Contents

Related product manuals