EasyManua.ls Logo

Monitor GF1800 - Page 64

Default Icon
74 pages
Print Icon
To Next Page IconTo Next Page
To Next Page IconTo Next Page
To Previous Page IconTo Previous Page
To Previous Page IconTo Previous Page
Loading...
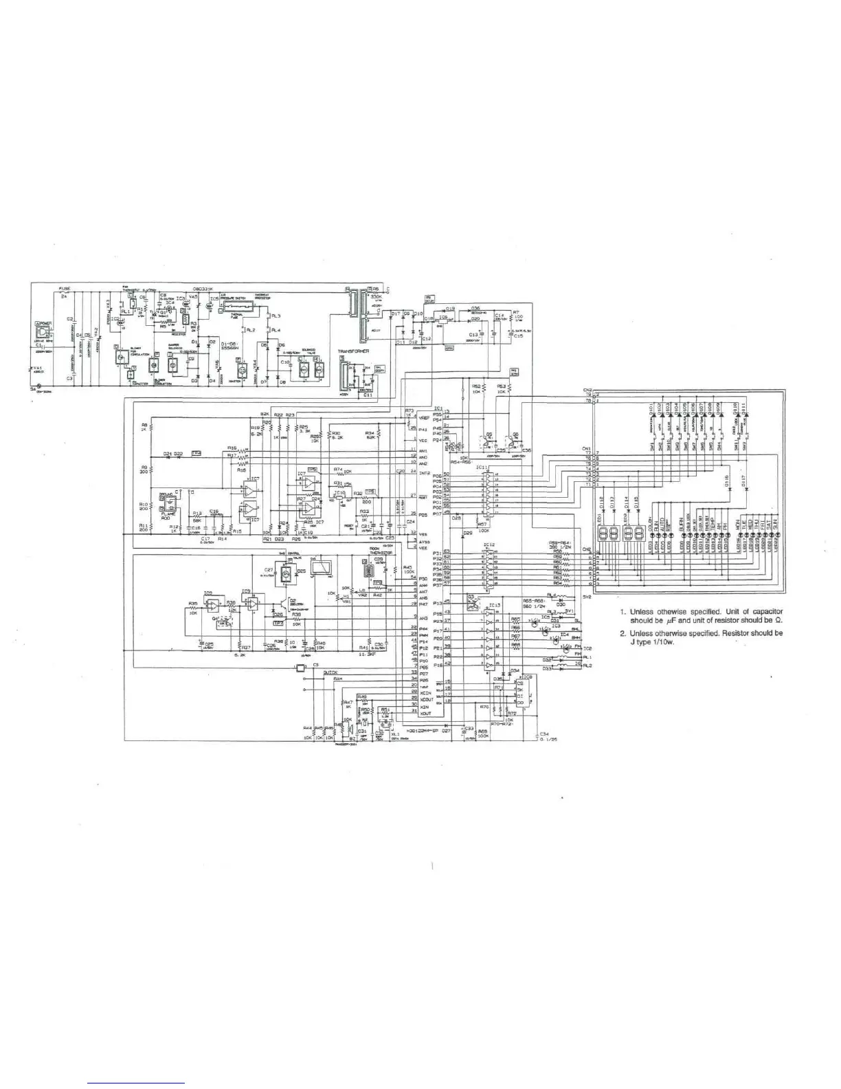
1.
Unless
othewise
specified. Unit
of
capacitor
should
be
>f
and
unit
of
resistor should
be
Q.
2.
Unless otherwise specified. Resistor should
be
J
type
1/1
Ow.

Table of Contents

Related product manuals