EasyManua.ls Logo

MULTIQUIP DCA Series - Page 52

MULTIQUIP DCA Series
94 pages
Print Icon
To Next Page IconTo Next Page
To Next Page IconTo Next Page
To Previous Page IconTo Previous Page
To Previous Page IconTo Previous Page
Loading...
PAGE 52 — GENERATOR SERVICE AND TROUBLESHOOTING MANUAL — REV. #0 (08/29/23)
If the engine ECM issues either a low oil pressure or
high water temperature fault the engine will shut down
immediately. If the internal speed switch detects a speed
equal to or above the overspeed setting the engine will
shut down immediately.
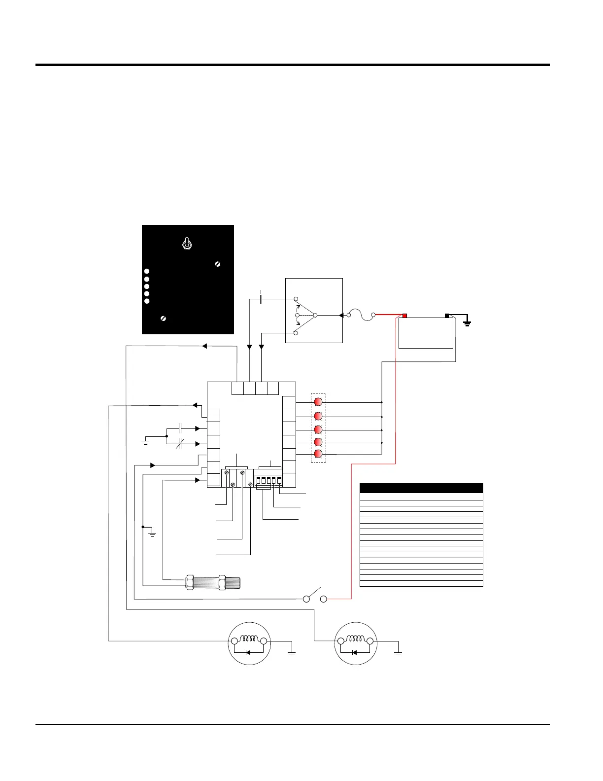
ECU 9988N
To stop the engine or to clear a fault condition, place the
control switch in the OFF position.
If the CAN or speed signal from the engine ECM is lost
during cranking or while the engine is running, the engine
will shut down and the overcrank and overspeed LEDs
will both turn on.
Figure 55. ECU 9988N Basic Wiring Diagram
AUTO
MANUAL
OFF/RESET
LOW OIL PRESSURE
HIGH COOLANT TEMPERATURE
OVERCRANK
OVERSPEED
ENGINE RUNNING
MOOOOO-20001Q
ECU 9988N
FRONT VIEW
ECU 9988N
REAR VIEW
15 14 13
6
5
4
3
2
1
12VDC
BATTERY
POS. NEG.
10A
F1
AUTO
OFF/RESET
MANUAL
NO
REMOTE
AUTO-START
CONTACTS
3-POSITION
SWITCH
10
9
8
7
11
12
STARTER RELAY
4
3
SUPRESSION
DIODE
GND.
LOW OIL PRESS.
HIGH WATER TEMP.
OVERCRANK
OVERSPEED
ENGINE STARTED
ENGINE STATUS
LED’S
DIP
SWITCHES
ADJUSTMENT
POTS
1
2
3
4
5
OVERSPEED
VERIFY
SINGLE OR
CYCLE CRANK
CRANK
ATTEMPTS
FAULT DELAY
OIL PRESS./
WATER TEMP. ADJ.
OVERSPEED
ADJ.
CRANK
DISCONNECT ADJ.
CRANK
CYCLE ADJ.
X1
COIL
FUEL RELAY
4
3
SUPRESSION
DIODE
GND.
COIL
MAGNETIC
PICKUP UNIT
(MPU)
GND.
HIGH WATER
TEMP. SW.
LOW OIL
PRESS. SW.
NO
NC
LAMP TEST
SWITCH
+12 VDC
GND.
1. MAGNETIC PICKUP UNIT INPUT
2. BATTERY NEGATIVE
3. LAMP TEST
4. LOW OIL PRESSURE INPUT
5. HIGH WATER TEMP. INPUT
6. STARTER RELAY OUTPUT
7. NOT USED
8. ENGINE STARTED STATUS LED
9. ENGINE OVERSPEED STATUS LED
10. ENGINE OVERCRANK STATUS LED
11. ENGINE HIGH WATER TEMP. STATUS LED
12. ENGINE LOW OIL PRESSURE STATUS LED
13. MANUAL MODE
14. AUTO MODE
15. FUEL RELAY OUTPUT SIGNAL
X1. NOT USED
ECU 9988N TERMINAL DESIGNATIONS

Related product manuals