EasyManua.ls Logo

Newman 4VAL - Set up; Containers; Label Feed

Default Icon
56 pages
Print Icon
To Next Page IconTo Next Page
To Next Page IconTo Next Page
To Previous Page IconTo Previous Page
To Previous Page IconTo Previous Page
Loading...
4VAL Operating & Maintenance Manual Version 1.1 © Newman Labelling Systems Ltd Page 33 of 56
4.2 SET UP
Settings sheets are provided with the machine documentation for those containers
configured at time of order. It is recommended to start with these settings even if
minor changes are needed. These settings are only an indicator and need to be
checked when the machine is set up. It is important to include function checks in your
S.O.P.’s after changeovers, in particular for barcode, overprint and missing label
faults to ensure the machine stops when these faults occur.
4.3 CONTAINERS
Adjust setting to obtain appropriate grip on the container by adjusting the gap between
the applicator drum and presser pad using the adjuster on the front of the machine.
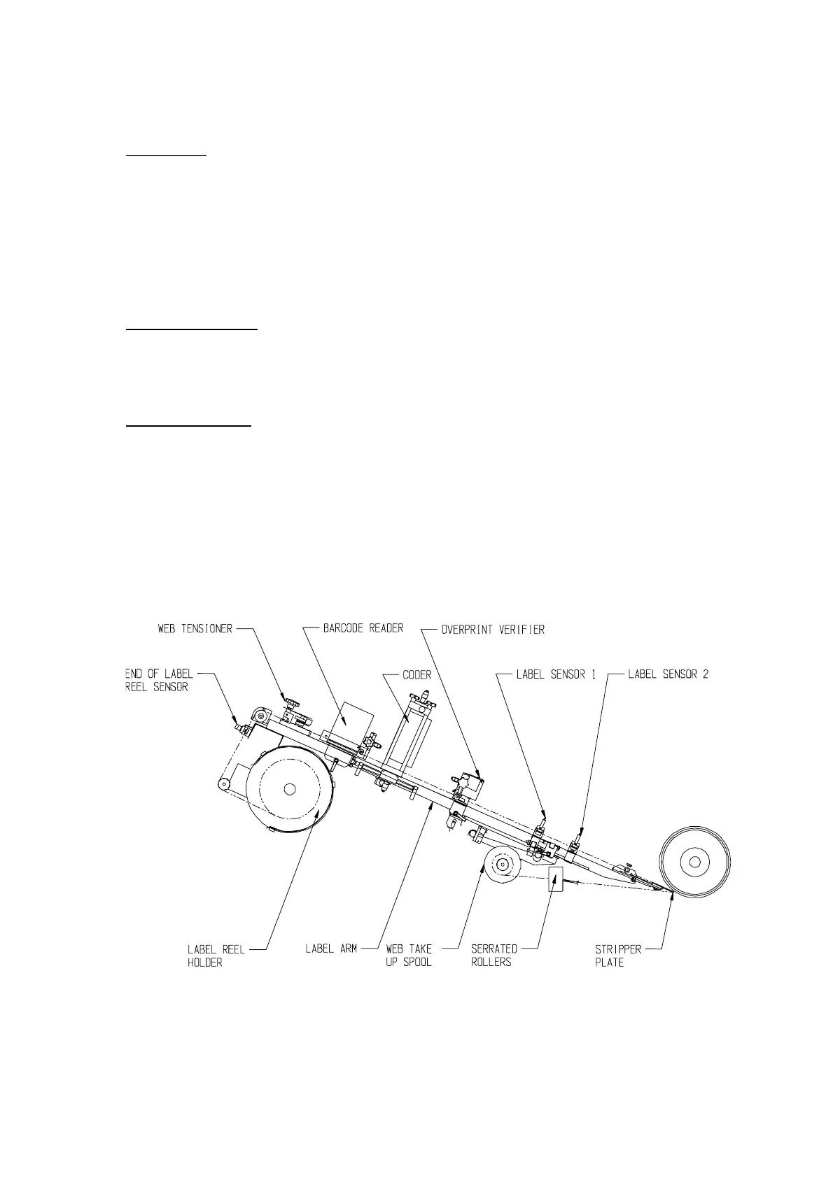
4.4 LABEL FEED
Before feeding labels into the machine, check that the grip provided by the
label feed rollers is suitably set (see subsequent section for details).
Peel labels from the backing material for about 0.5 metres. Place label reel on
feed disc and thread around shock arm rollers and along label track towards
application point. Ensure that the web passes correctly through the end of label
reel sensor (where fitted), tensioner assembly, label sensor(s) and other
equipment such that the lower edge of the backing material is level and resting
lightly along the lower web supports.
Label Web Path (29917a)