EasyManua.ls Logo

Oki C710 - Wiring Diagram

Oki C710
223 pages
Print Icon
To Next Page IconTo Next Page
To Next Page IconTo Next Page
To Previous Page IconTo Previous Page
To Previous Page IconTo Previous Page
Loading...
43856301TH Rev.3
179 /
Oki Data CONFIDENTIAL
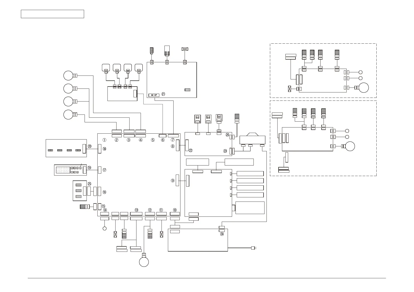
7. Troubleshooting and repair procedure
H
VO
LT
Fuser
motor
(DC)
Belt
motor
ID
motor
(DC)
ID
up motor
RFID Antenna
Board-POL
Toner-Low
sensor
Toner-Low
sensor
Toner-Low
sensor
Toner-Low
sensor
Paper-end sensor
Cover open
switch
Internal temperature
thermistor
Fuser
FAN1
High-voltage power supply
ID UP/DOWN
sensor
Color registration sensor
Board-PRC
Temperature
sensor
EXIT
sensor
CU
board
Hopping
solenoid
Stackable
sensor
ID
cooling fan
DUPLEX
unit
Paper size
SW
Low-voltage
FAN
Low-voltage power supply
Duplexunit
IN
sensor
Cover open
sensor
Front
sensor
Bottom
sensor
DUPLEX clutch
Separator
solenoid
DUPLEX
motor
3rd TRAY
2nd
paper end
sensor
Hopping
sensor
2nd IN
sensor
2nd paper size
seitch
Feed clutch
Hopping
motor
2nd Tray
HSOL OPTION HOPSIZE POWFANIDFAN STKFL POWER
PU board
DCID
BELTIDUP
DCHEAT RFID HVOLT
RELAY
Board-PRZ
SSNS
CN
operation
panel
Board-PRG
WRsensor
Environment sensor
IN1 sensor
IN2 sensor
Board-RSF
CN
FSNS
PE
CUIF
PUIF
PC I/F
K-HEAD
Y-HEAD
M-HEAD
C-HEAD
SNS03 SNS12 SNS4
CL1 CL2 MOTOR
MAIN1
FAN
DUPLEX
FAN
Printer main unit
Printer main unit
SNS03 SNS12 PSZ
CL1
Hopping clutch
Feed
transport
motor
CL2
MOTOR
MAIN1
MAIN2
Board-V7Y-9
Board-
HOST USB
Option HDD Centro board
2nd Tray
(3rd Tray)
AC
POWER
PUIF
FUSER
EXIT
DENSLCR
RCR
CENT
IDE
FUSER UNIT
K2 Y2 M2 C2
RFID R/W
Board-LUM
RFID
Board-PRY
SSNS OPE
Board-V7Y-8
CN3
CN2
7.5.2 (19) Wiring diagram

Table of Contents

Related product manuals