EasyManua.ls Logo

OnRobot VG10 - Mechanical Dimensions

OnRobot VG10
40 pages
Print Icon
To Next Page IconTo Next Page
To Next Page IconTo Next Page
To Previous Page IconTo Previous Page
To Previous Page IconTo Previous Page
Loading...
Page 27 of 40
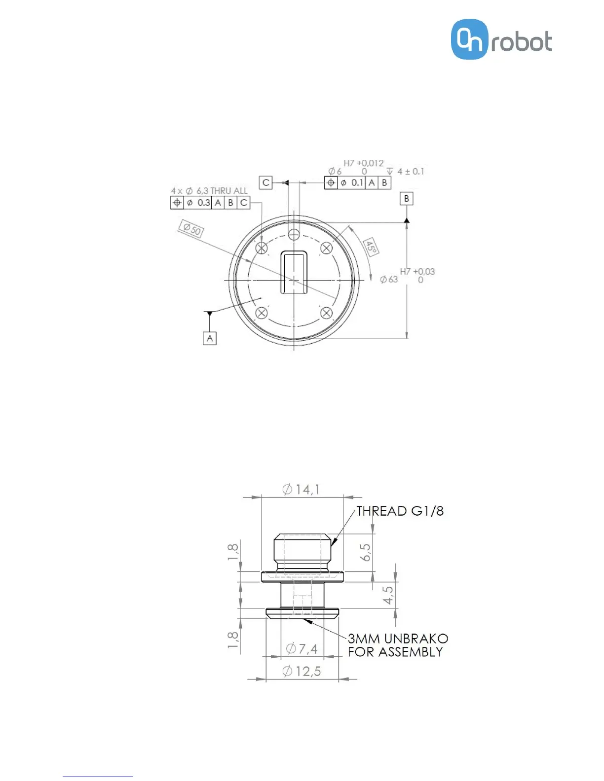
Mechanical dimensions
The mechanical mounting interface on the VG10 is a standard robot flange according
to ISO 9409-1, Type 50-4-M6. Dimensions and tolerances are noted in mm in the
drawing below.
Dimensions of the fitting supplied with the VG10 is shown below. Other suction cups
/ fittings with G1/8 x 6.5 mm threading is directly compatible with the VG10.

Related product manuals